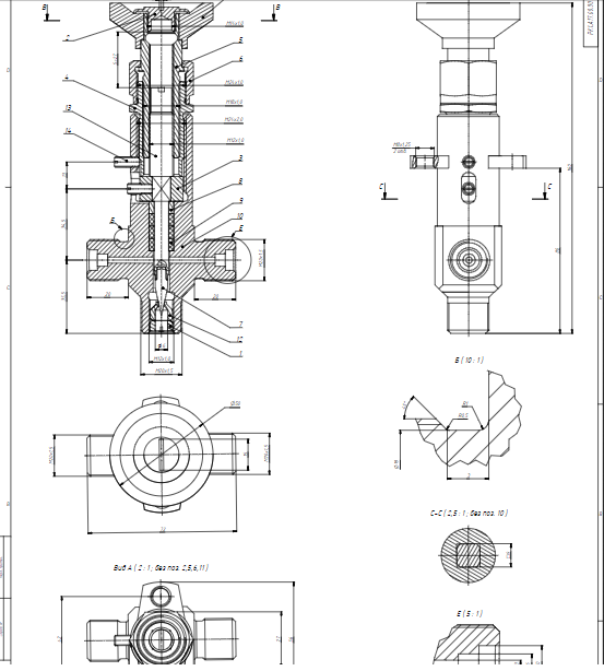
Для студентов МГТУ им. Н.Э.Баумана по предмету Инженерная графикаГазовый дроссельГазовый дроссель
5,0057
2021-04-102024-10-06СтудИзба
ДЗ А: Газовый дроссель вариант 17
-55%
Описание
Чертеж PDF формат А1 ![]()

Характеристики домашнего задания
Предмет
Учебное заведение
Семестр
Номер задания
Вариант
Просмотров
541
Размер
120,03 Kb
Список файлов
А-17 Газовый дроссель.pdf

Друзья, спасибо за доверие! Если вам понравилась работа – поставьте 5⭐ и напишите отзыв. Это поможет другим студентам, а мне даст силы делать ещё больше качественных материалов для вас 🔥