Для студентов МГТУ им. Н.Э.Баумана по предмету Инженерная графикаСборка 3 - Пневмоаппарат клапанныйСборка 3 - Пневмоаппарат клапанный
5,0051
2020-06-132024-10-02СтудИзба
ДЗ: Сборка 3 - Пневмоаппарат клапанный вариант 3
Описание
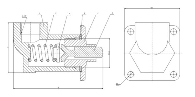
Сборочный чертеж, модели всех деталей, сборка и спецификация(в Excel).
![]()

Характеристики домашнего задания
Предмет
Учебное заведение
Семестр
Вариант
Просмотров
227
Размер
1,81 Mb
Список файлов
Корпус(1).ipt
Крышка(2).ipt
Пневмоаппарат(6).ipt
Пневмоаппарат.idw
Пневмоаппарат.pdf
Прокладка(4).ipt
Пружина(5).ipt
Сборка.iam
Спецификация..xls
Толкатель(3).ipt
МГТУ им. Н.Э.Баумана



















