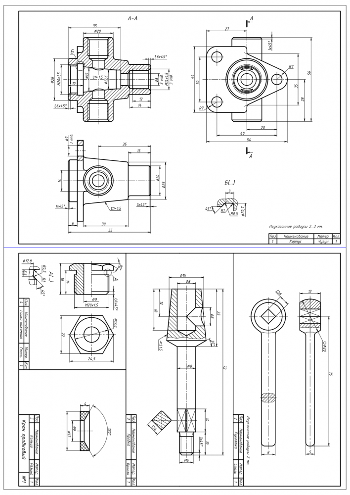
Для студентов МГТУ им. Н.Э.Баумана по предмету Инженерная графикаСборка 1 - Кран пробковыйСборка 1 - Кран пробковый
5,0054
2020-04-302024-10-02СтудИзба
ДЗ: Сборка 1 - Кран пробковый вариант 1
Описание
Характеристики домашнего задания
Предмет
Учебное заведение
Семестр
Вариант
Просмотров
308
Размер
2,33 Mb
Список файлов
Кран пробковый
Гайка нажимная.ipt
Кольцо.ipt
Компоновка.png
Корпус.ipt
Кран пробковый.dwg
Кран пробковый.iam
Описание.jpg
Пробка.ipt
Рукоятка.ipt
Спецификация.pdf
Спецификация.xls
МГТУ им. Н.Э.Баумана

















