Для студентов МГТУ им. Н.Э.Баумана по предмету Расчет и проектирование реакторных установокКЛТ-40С (Деталь на технологическую часть - втулка шарикового замка)КЛТ-40С (Деталь на технологическую часть - втулка шарикового замка)
5,00527
2025-04-302025-04-30СтудИзба
Курсовой проект "Теплогидравлический расчет ТВС КЛТ-40С и технологическая часть"
Курсовая работа: КЛТ-40С (Деталь на технологическую часть - втулка шарикового замка)
Описание
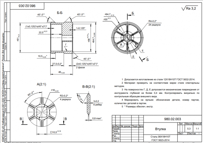
Курсач защищен на отлично. Применено конструктивное решение по замене одних твэлов на более "тяжелые", а других на "легкие", для уменьшения кризиса теплообмена, более подробно в рпз. В архиве расчетный маткад, чертежи в компасе 21, рпз в ворде, само задание, и экселевские таблицы для линейной интерполяции таблиц ФЭИ. На технологической части была деталь - Втулка шарикового замка. Для нее выполнены эскизы и тех.процесс, а также спроектировано приспособление (есть полностью сборка в компасе). Чертеж самой детали:
![]()

Характеристики курсовой работы
Учебное заведение
Программы
Просмотров
9
Качество
Идеальное компьютерное
Размер
37,56 Mb
Список файлов
КЛТ-40С
гемба
приспособление
РУЧКА.m3d
РУЧКА.m3d.bak
вал.m3d
вал.m3d.bak
губки.m3d
губки.m3d.bak
обрабатываемая деталь.m3d
обрабатываемая деталь.m3d.bak
призма.m3d
призма.m3d.bak
приспособление.m3d
приспособление.m3d.bak
тиски призматические.a3d
тиски призматические.a3d.bak
тиски.m3d
тиски.m3d.bak
3 лист_приспособление.cdw
3 лист_приспособление.cdw.bak
РПЗ. Гемба.docx
лист1 тех.процесс.cdw
лист1 тех.процесс.cdw.bak
лист2 эскизы.cdw
лист2 эскизы.cdw.bak
книги по прочности
ПНАЭ.pdf
приложение.pdf
статьи
53071491.pdf