Для студентов МГТУ им. Н.Э.Баумана по предмету Инженерная графикаДеталировка 23-14 - Кран распределительныйДеталировка 23-14 - Кран распределительный
5,005312
2016-05-212024-10-02СтудИзба
ДЗ 23: Деталировка 23-14 - Кран распределительный вариант 14
-50%
Описание
Рукоятка - поз. 12
Прокладка - поз. 11
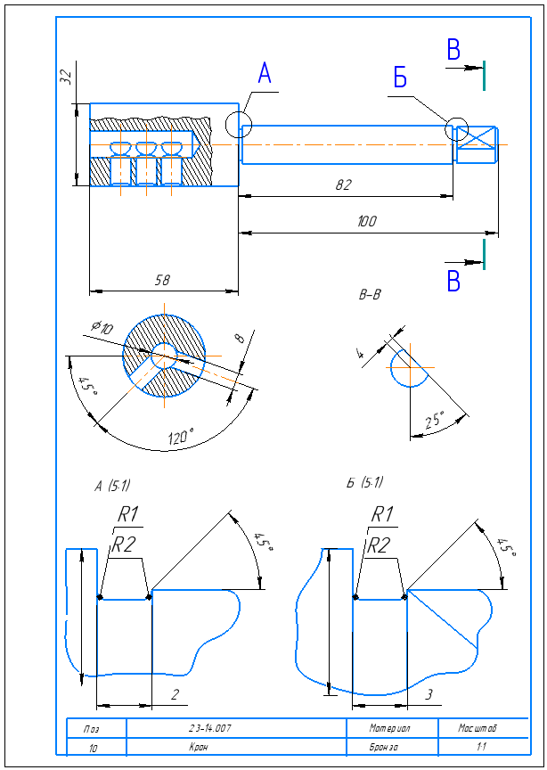
Кран - поз. 10
Корпус - поз. 9
Заглушка - поз. 8
Втулка нажимная - поз. 6
Стулка сальника - поз. 7
Примеры:
![]()
Прокладка - поз. 11
Кран - поз. 10
Корпус - поз. 9
Заглушка - поз. 8
Втулка нажимная - поз. 6
Стулка сальника - поз. 7
Примеры:


Характеристики домашнего задания
Предмет
Учебное заведение
Семестр
Номер задания
Вариант
Просмотров
2240
Качество
Идеальное компьютерное
Размер
172,03 Kb
Список файлов
Деталировка 23-14 - Кран распределительный
Втулка нажимная.cdw
Втулка сальника.cdw
Заглушка.cdw
Корпус.cdw
Кран.cdw
Прокладка.cdw
Рукоятка.cdw

Вам все понравилось? Получите кэшбэк - 40 рублей на Ваш счёт при покупке. Поставьте оценку и напишите положительный комментарий к купленному файлу. После Вы получите деньги на ваш счет.
Комментарии

Отзыв
супер,спасибо

Отзыв
отлично