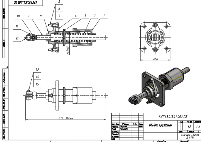
Для студентов ТПУ по предмету Инженерная графикаОбойма пружиннаяОбойма пружинная
5,00520
2023-05-262023-05-26СтудИзба
Курсовая работа: Обойма пружинная вариант 2
Описание
Обойма пружинная. По заданию выполнена сборка и детали.
В состав работы входят:
в Инвентор
3д
сборка
1_Стакан
2_Пружина сжатия
4_Плита установочная
8_Корпус
9_Шток
11_Вилка
12_Ролик
в Автокаде чертежи
сборка
1_Стакан
2_Пружина сжатия
4_Плита установочная
8_Корпус
9_Шток
11_Вилка
12_Ролик
![]()
В состав работы входят:
в Инвентор
3д
сборка
1_Стакан
2_Пружина сжатия
4_Плита установочная
8_Корпус
9_Шток
11_Вилка
12_Ролик
в Автокаде чертежи
сборка
1_Стакан
2_Пружина сжатия
4_Плита установочная
8_Корпус
9_Шток
11_Вилка
12_Ролик
Характеристики курсовой работы
Предмет
Учебное заведение
Семестр
Вариант
Программы
Просмотров
8
Качество
Идеальное компьютерное
Размер
17,56 Mb
Список файлов
Обойма пружинная
OldVersions
8 Корпус.0001.ipt
Сборка.0021.iam
Детали
OldVersions
1 Стакан.0004.ipt
2 Пружина 2.0002.iam
2 Пружина сжатия.0003.iam
2 Пружина сжатия.0003.ipt
2 Пружина.0001.ipt
4 Плита установочная.0002.ipt
8 Корпус.0002.ipt
9 Шток.0003.ipt
11 Вилка.0004.ipt
Пружина.0001.ipt
1 Стакан.ipt
2 Пружина сжатия.iam
2 Пружина сжатия.ipt
4 Плита установочная.ipt
8 Корпус.ipt
9 Шток.ipt
11 Вилка.ipt
12 Ролик.ipt
lockfile.lck
Чертежи
OldVersions
Вилка-1.0001.dwg
Вилка.0002.dwg
Корпус.0001.dwg
Плита установочная.0001.dwg
Комментарии
Нет комментариев
Стань первым, кто что-нибудь напишет!
ТПУ


















