Курсовая работа: Гидропривод автомобильного подъемника ПМС
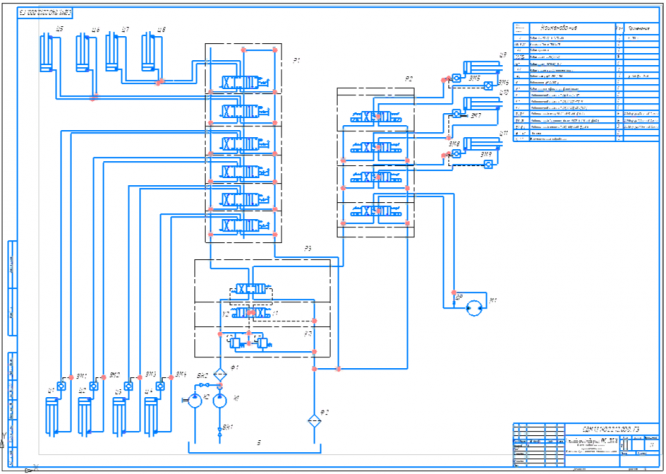
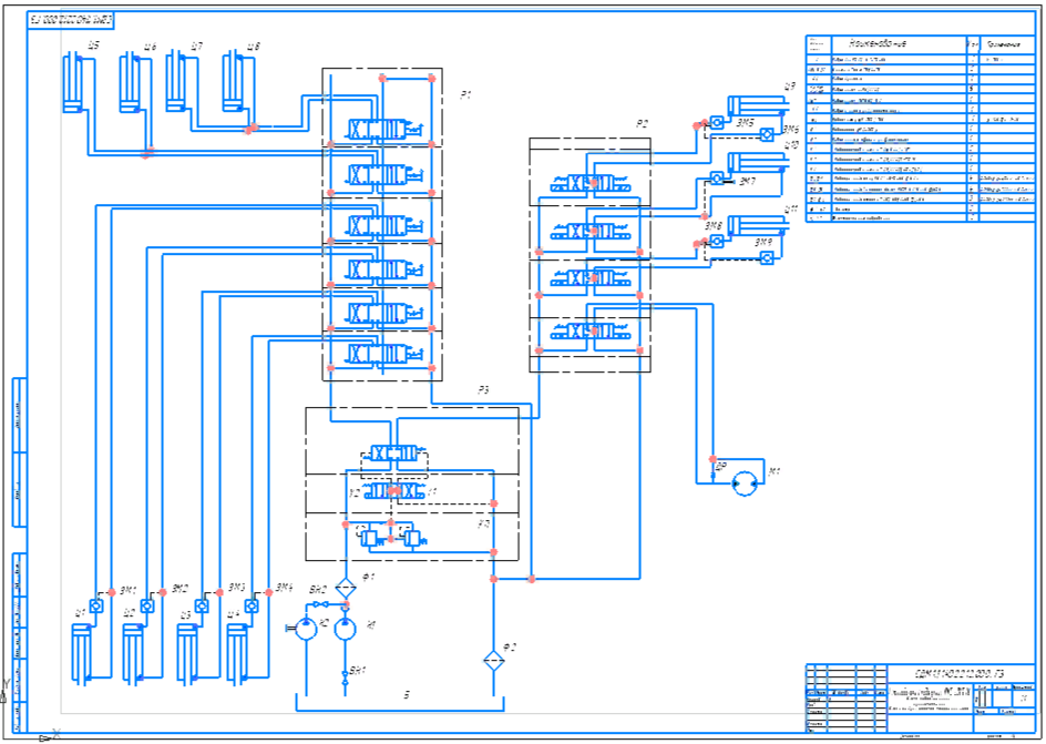
Описание
ТЕХНИЧЕСКАЯ ХАРАКТЕРИСТИКА
Базовый автомобиль……………………………………… МАЗ-5337А2
Грузоподъемность люльки кг, ………………………… не более 250
Рабочая высота подъема м…….…………………………….28-0,3
Габаритные размеры в транспортном положении: мм, не более
длина …………………………………………………………………12500
ширина…………………………………………………………………2500
высота………………………………………………………………….4000
Полная масса подъемника кг, ………………………… не более 16000
Распределение нагрузки на дорогу от подъемника полной массы:
на переднюю ось кг, ………………………………………..не более 6000
на заднюю ось (тележку)…………………………………………….10000
Вылет м, ………………………………………………..не более 13,8
Угол поворота стрелы град……………………………………………360
Рабочее давление МПа…………………………………………………...16
Максимальная транспортная скорость подъемника км/ч……………50
Опорный контур м, …………………………………….не менее 5,1 х 4,8
Максимальная частота вращения поворотной части с-1 (об/мин)…0,017 (1,0)
Место управления всеми движениями стрелы…...Пульт оператора и в люльке
Способ управления стрелой…………………….Электрогидравлический
Срок службы лет………………………………………………………….. 8
Характеристики курсовой работы
Список файлов
