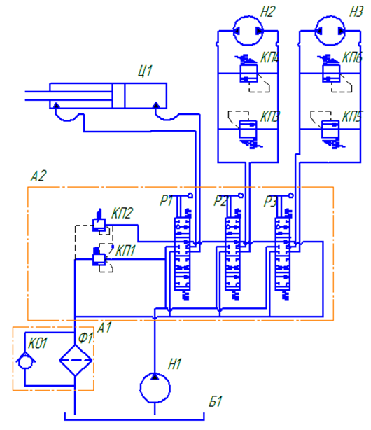
Для студентов БНТУ по предмету Гидропривод кузнечно-штамповочных машин (ГКШМ) (МТ-6)Гидропривод экскаваторного погрузчика «Амкадор 832» Гидропривод экскаваторного погрузчика «Амкадор 832»
4,9951118
2024-03-192024-03-19СтудИзба
Курсовая работа: Гидропривод экскаваторного погрузчика «Амкадор 832»
Описание
Технические характеристики «Амкадор 832»
Наименование | Параметры |
Модель шасси | Самоходное пневматическое |
Мощность двигателя шасси, л.с. | 108.8 |
Дизель | Д-245С2 |
Масса машины полная, кг | 9100 |
База, мм | 2200 |
Клиренс, мм | 400 |
Номинальная грузоподъемность, кг | 2100 |
Ширина режущей кромки ковша, мм | 2400 |
Номинальная вместимость ковша, м | 1.2 |
Максимальная скорость передвижения, км/ч | 40 |
Габаритные размеры, мм: длина ширина высота | 6000 |


Характеристики курсовой работы
Учебное заведение
Программы
Просмотров
4
Размер
1,01 Mb
Список файлов
korpus_kursach.cdw
sb_kursach.cdw
skhema_kursach.cdw
zolotnik_kursach.cdw
kursach_po_gidrachus.docx

Спасибо за покупку! Я буду очень рад, если поставишь справедливую оценку купленному файлу