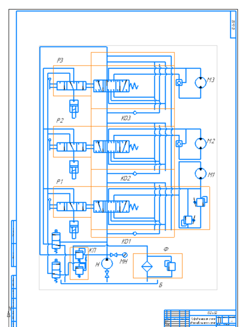
Для студентов МГТУ им. Н.Э.Баумана по предмету Гидропривод кузнечно-штамповочных машин (ГКШМ) (МТ-6)Гидропривод автомобильного кранаГидропривод автомобильного крана
4,9951125
2023-09-102023-09-10СтудИзба
Курсовая работа: Гидропривод автомобильного крана
Описание


Характеристики курсовой работы
Учебное заведение
Семестр
Программы
Просмотров
3
Качество
Идеальное компьютерное
Размер
463,33 Kb
Список файлов
1650905247_gidroprivod
10-P_Kursovaya_rabota_Gidroprivod_Polyak_S_P_NTS-15T1.docx
skhema_avtomobilnogo_krana.cdw
skhema_avtomobilnogo_krana.cdw.bak
spetsifikatsia.cdw
spetsifikatsia.cdw.bak

Спасибо за покупку! Я буду очень рад, если поставишь справедливую оценку купленному файлу