Для студентов по предмету Гидравлика и пневмоприводРасчет объемного гидроприводаРасчет объемного гидропривода
5,0058
2026-01-082026-01-08СтудИзба
Задача: Расчет объемного гидропривода
Описание
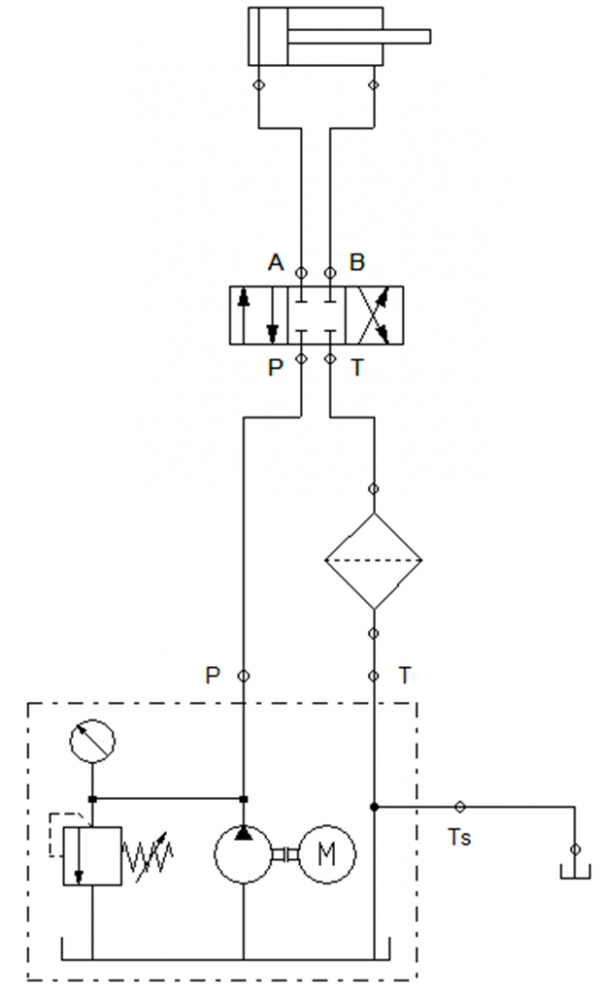
1. Исходные данные
Усилие на штоке толкающем F, кН | 20 |
Ход поршня, мм | 1000 |
Время хода, с | 15 |
Длина гидролинии от насоса к распределителю (напорной) lнап, м | 3 |
Длина гидролинии от распределителя к ГЦ (исполнительной) lисп, м | 2,8 |
Длина гидролинии от распределителя к баку (сливной) lсл, м | 1,4 |
Температура рабочей жидкости tж, 0С | +65 |
Температура окружающей среды tв, 0С | -10 |
Характеристики решённой задачи
Список файлов
Решение.rtf
Комментарии
Нет комментариев
Стань первым, кто что-нибудь напишет!
























