РГР и лабораторные: оптика, дифракция, фотоэффект
Лабораторная работа: Решения задач и лабораторные по оптике и фотоэффекту
Кафедра физики
Лабораторная работа №6.3
ОПРЕДЕЛЕНИЕ ПОТЕНЦИАЛА ИОНИЗАЦИИ АРГОНА
Цель работы: Определить потенциал ионизации атомов аргона.
Основные теоретические сведения:
Согласно современным теоретическим представлениям атомные системы могут находиться только в некоторых определенных состояниях, называемых стационарными. Каждому стационарному состоянию соответствует свое фиксированное значение энергии. Спектр допустимых значений энергий атомов является дискретным. Состояние с наименьшим допустимым значением энергии атома называется основным состоянием.
Часто при взаимодействиях атома с внешними системами изменяется состояние только валентного (внешнего) электрона. Поэтому в данной работе мы будем считать, что энергия атома эквивалентна энергии валентного электрона, а состояние атома и состояние валентного электрона будем считать синонимами. Значения энергии разрешенного состояния называют энергетическими уровнями.
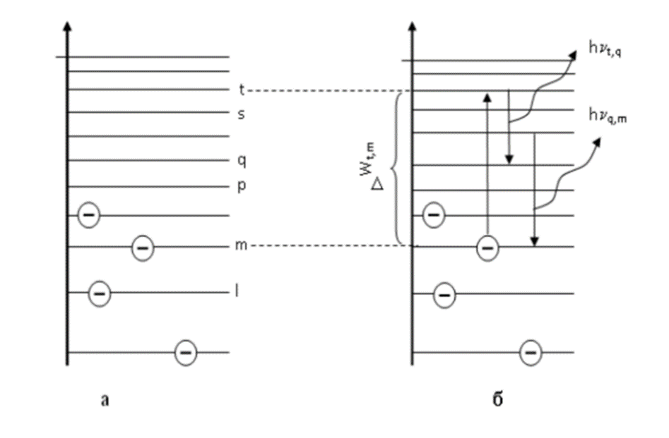
На энергетических диаграммах энергетические уровни обозначают черточками. Если атом находится в основном состоянии, то все энергетические уровни, расположенные ниже энергетического уровня валентного электрона, заняты электронами, а все вышележащие уровни – свободны.
В случае внешних воздействий атом, т.е., как правило, один из его валентных электронов может получить дополнительную энергию ΔW и перейти в какое-либо из разрешенных состояний с большей энергией. Такое состояние атома называется возбужденным.
В возбужденном состоянии атом долго находиться не может. Очень быстро он спонтанно (самопроизвольно) возвращается непосредственно в основное состояние или переходит в одно из возбужденных состояний с меньшей энергией, например, с уровня t на уровень m.
Рисунок 1 – Энергетическая диаграмма атома и некоторые возможные переходы
Переход атомной системы из состояния с большей энергией Wk в состояние с меньшей энергией Wn сопровождается выделением энергии:
ΔW = Wk - Wn (1)
которая излучается в виде кванта электромагнитного излучения hν, так что:
hν = Wk - Wn (2)
Соотношение (2) называется правилом частот.
Энергию возбуждения часто характеризуют потенциалом возбуждения. Под потенциалом возбуждения понимают ту разность потенциалов, которую должен пройти электрон, чтобы приобрести энергию, равную энергии возбуждения. Если подведенная извне энергия превысит модуль энергии основного состояния валентного электрона, то валентный электрон, получив эту энергию, выйдет за пределы атома и станет свободным. Такой процесс называется ионизацией атома. В итоге нейтральный атом превращается в положительно заряженный ион и появляется свободный электрон. Минимальная энергия, при которой возникает ионизация атомов, называется энергией ионизации Wi. Энергия ионизации атомов зависит от структуры атомов и характеризуется потенциалом ионизации. Потенциал ионизации равен той разности потенциалов, которую должен пройти электрон, чтобы приобрести энергию, равную энергии ионизации атома.
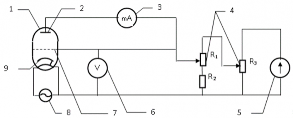
Описание лабораторной установки
Рисунок 2 – Схема установки
Установка состоит из тиратрона (1), гальванометра (3), включенного в анодную цепь тиратрона, источника (5) ускоряющего поля, вольтметра (6), измеряющего ускоряющее напряжение, и источника (8) накала катода (9) тиратрона.
Тиратрон представляет собой стеклянный баллон (1), заполненный аргоном с малым давлением. В баллон помещены три электрода: катод (9) подогревного типа, сетка (7) и анод (2). Под действием напряжения накала нить накала и катод разогреваются. Возникает явление термоэлектронной эмиссии. Вследствие термоэлектронной эмиссии, вокруг разогретого катода образуется электронное облако. К катоду и сетке подведено ускоряющее напряжение. Под действием ускоряющего поля электроны, эмитируемые катодом, ускоряются, проходят сквозь ячейки сетки, далее попадают на анод (2) и регистрируются гальванометром (3) в виде анодного тока.
Рисунок 3 – Общий вид вольтамперной характеристики тиратрона
Контрольные вопросы
- Объясните в общих чертах строение атомов.
- Какие состояния называются стационарными?
- Что называют возбуждением атомов и ионизацией атомов?
- Что называют потенциалом ионизации атомов?
- Что понимают под энергетическими уровнями атомов.
- Поясните схему и принцип действия лабораторной установки.
- Почему крутизна вольтамперной характеристики резко увеличивается, когда ускоряющее напряжение превышает потенциал ионизации атомов?
- Какой наименьшей скоростью должен обладать электрон, чтобы ионизировать атом гелия? Энергия ионизации атома гелия равна 24,5 эВ.
- Электрон, ускоренный электрическим полем, приобрел скорость, при которой его масса стала равной удвоенной массе покоя. Чему равна разность потенциалов, пройденная электроном?
Сборник включает пошаговые решения задач по дифракции, фотоэффекту и модели Бора, а также два лабораторных отчёта: бипризма Френеля (λ ≈ 678 нм) и вентильный фотоэффект. Подходит студентам для подготовки отчётов и контроля ответов..
Характеристики лабораторной работы
Предмет
Учебное заведение
Семестр
Просмотров
6
Размер
143,65 Kb
Список файлов
Лабораторная_работа_6._3_Определение_потенциала_ионизации_аргона.docx
🎓 Никольский - Помощь студентам 📚 Любые виды работ: тесты, сессии под ключ, практики, курсовые и дипломные с гарантией результата ✅ Все услуги под ключ ✅ Знаем все тонкости именно вашего ВУЗа ✅ Сдадим или вернем деньги
Комментарии
Нет комментариев
Стань первым, кто что-нибудь напишет!
ВГУИТ
nikolskypomosh













