Для студентов МИ ВлГУ по предмету Электротехника и электроснабжениеПроектирование внутреннего электроснабжения объекта строительства + чертежиПроектирование внутреннего электроснабжения объекта строительства + чертежи
4,995336
2025-01-172025-01-17СтудИзба
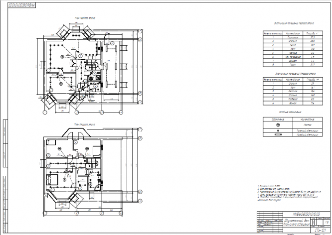
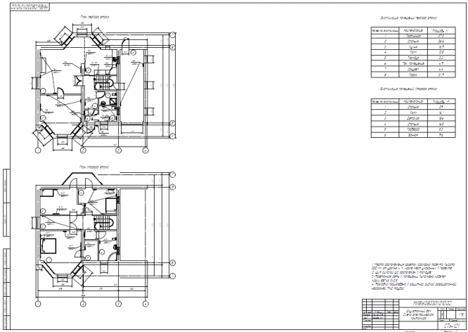
Курсовая работа: Проектирование внутреннего электроснабжения объекта строительства + чертежи
Описание
Характеристики курсовой работы
Учебное заведение
Семестр
Программы
Просмотров
1
Размер
1,39 Mb
Список файлов
Автоматика.pdf
Курсовая работа по ЭиЭ Крылов.pdf
Освещение.pdf
Розетки.pdf
Комментарии
Нет комментариев
Стань первым, кто что-нибудь напишет!

МИ ВлГУ

















