Для студентов по предмету Электротехника (ЭлТех)Рассчитайте крутизну и раствор детекторной характеристики ЧД (частотного детектора)Рассчитайте крутизну и раствор детекторной характеристики ЧД (частотного детектора)
5,0053285
2025-10-152025-10-15СтудИзба
Задача: Рассчитайте крутизну и раствор детекторной характеристики ЧД (частотного детектора)
Новинка
Описание
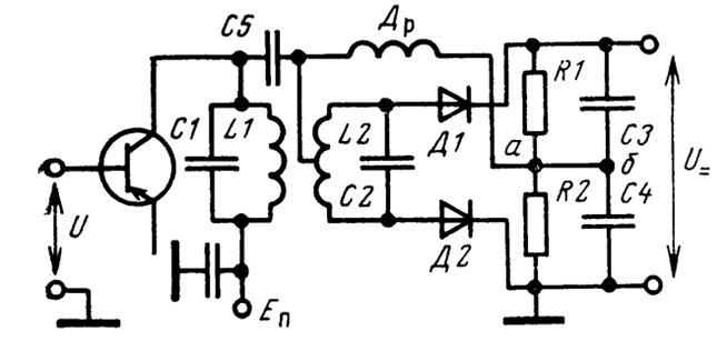
Рассчитайте крутизну и раствор детекторной характеристики ЧД (частотного детектора) при следующих параметрах элементов схемы и входного сигнала: U = 1 мВ, , L1 = L2 = 5 мкГн, С1 = С2 = 50 пФ, Qк эк = 20, М = 0,5 мкГн, R1 = R2 =50 кОм. Для симетрирования ЧД вторичный контур зашунтирован резистором 16,7 кОм, Rвх АД (амплитудного детектора) принято R1/2 = 25 кОм, а его Kд = 1.
![]()

Характеристики решённой задачи
Предмет
Просмотров
1
Качество
Идеальное компьютерное
Размер
81,99 Kb
Список файлов
part-6.docx

Если нужен другой вариант работы или отдельная задача из любой работы, пишите в комментарии