Для студентов ИДДО НИУ «МЭИ» по предмету Электротехника (ЭлТех)Используя метод эквивалентного активного двухполюсника, определить параметры его последовательной схемы замещения (Еэк И Rэк) относительно зажимов а иИспользуя метод эквивалентного активного двухполюсника, определить параметры его последовательной схемы замещения (Еэк И Rэк) относительно зажимов а и
4,955183
2025-04-122025-04-12СтудИзба
Используя метод эквивалентного активного двухполюсника, определить параметры его последовательной схемы замещения (Еэк И Rэк) относительно зажимов а и в.
Используя метод эквивалентного активного двухполюсника, определить параметры его последовательной схемы замещения (Еэк И Rэк) относительно зажимов а и в.
Описание
Работа сдана на оценку 5. КМ-1 Электротехника.
Используя метод эквивалентного активного двухполюсника, определить параметры его последовательной схемы замещения (Еэк И Rэк) относительно зажимов а и в. Значения сопротивлений
(в омах) указаны в таблице 3.
Определить напряжение Un на приемнике Rn = (10) Ом, если
движок потенциометра установлен:
а) в крайнем верхнем положении;
б) в крайнем нижнем положении;
в) в средней точке потенциометра.
Сопротивление потенциометра R = (20М) Ом; U = (10N) В.
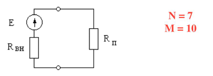
Построить BАX источника и приемника, если Е =(10N) В, RBн =(0,1М) Ом, Rn=(М) Ом. Построить кривую изменения мощности приемника при изменении его сопротивления от бесконечности до нуля. При каком сопротивлении приемника мощность Рп будет максимальной ?
В заданной схеме найти токи в ветвях и напряжение Uaв, если Е = 10 В. Значения всех сопротивлений (в омах) указаны в таблице 2.
Показать/скрыть дополнительное описание
Используя метод эквивалентного активного двухполюсника, определить параметры его последовательной схемы замещения (Еэк И Rэк) относительно зажимов а и в. Значения сопротивлений
(в омах) указаны в таблице 3.
Определить напряжение Un на приемнике Rn = (10) Ом, если движок потенциометра установлен:
а) в крайнем верхнем положении;
б) в крайнем нижнем положении;
в) в средней точке потенциометра.
Сопротивление потенциометра R = (20М) Ом; U = (10N) В.
Построить BАX источника и приемника, если Е =(10N) В, RBн =(0,1М) Ом, Rn=(М) Ом. Построить кривую изменения мощности приемника при изменении его сопротивления от бесконечности до нуля. При каком сопротивлении приемника мощность Рп будет максимальной ?
В заданной схеме найти токи в ветвях и напряжение Uaв, если Е = 10 В. Значения всех сопротивлений (в омах) указаны в таблице 2.
Показать/скрыть дополнительное описаниеИспользуя метод эквивалентного активного двухполюсника, определить параметры его последовательной схемы замещения (Еэк И Rэк) относительно зажимов а и в..
Характеристики решённой задачи
Предмет
Учебное заведение
Номер задания
Программы
Просмотров
4
Качество
Идеальное компьютерное
Размер
595,65 Kb
Список файлов
КМ-1 Электротехника.pdf
Алёна Руденко
Комментарии
Нет комментариев
Стань первым, кто что-нибудь напишет!
ИДДО НИУ «МЭИ»
alena.rudenko.88


















