Для студентов по предмету Электротехника (ЭлТех)Упростить схему, заменив последовательно и параллельно соединённые резисторы четвёртой и шестой ветвей эквивалентными. Дальнейший расчёт вести для упрУпростить схему, заменив последовательно и параллельно соединённые резисторы четвёртой и шестой ветвей эквивалентными. Дальнейший расчёт вести для упр
5,0053196
2024-12-232024-12-23СтудИзба
Упростить схему, заменив последовательно и параллельно соединённые резисторы четвёртой и шестой ветвей эквивалентными. Дальнейший расчёт вести для упрощённой схемы.
Описание
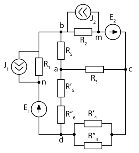
Для электрической схемы выполнить следующее:
1. Упростить схему, заменив последовательно и параллельно соединённые резисторы четвёртой и шестой ветвей эквивалентными. Дальнейший расчёт вести для упрощённой схемы.
2. Составить на основании законов Кирхгофа систему уравнений для расчёта токов во всех ветвях схемы.
3. Определить токи во всех ветвях схемы методом контурных токов.
4. Определить токи во всех ветвях схемы методом узловых потенциалов.
5. Результаты расчёта токов, проведённого двумя методами свести в таблицу и сравнить между собой.
6. Составить баланс мощностей в исходной схеме, вычислив суммарную мощность источник и суммарную мощность нагрузок (сопротивлений).
7. Определить ток I1 в заданной по условию схеме с источником тока, используя метод эквивалентного генератора.
8. Начертить потенциальную диаграмму для любого замкнутого контура, включающего обе ЭДС.
![]()
1. Упростить схему, заменив последовательно и параллельно соединённые резисторы четвёртой и шестой ветвей эквивалентными. Дальнейший расчёт вести для упрощённой схемы.
2. Составить на основании законов Кирхгофа систему уравнений для расчёта токов во всех ветвях схемы.
3. Определить токи во всех ветвях схемы методом контурных токов.
4. Определить токи во всех ветвях схемы методом узловых потенциалов.
5. Результаты расчёта токов, проведённого двумя методами свести в таблицу и сравнить между собой.
6. Составить баланс мощностей в исходной схеме, вычислив суммарную мощность источник и суммарную мощность нагрузок (сопротивлений).
7. Определить ток I1 в заданной по условию схеме с источником тока, используя метод эквивалентного генератора.
8. Начертить потенциальную диаграмму для любого замкнутого контура, включающего обе ЭДС.


Характеристики решённой задачи
Предмет
Просмотров
1
Качество
Идеальное компьютерное
Размер
482,98 Kb
Список файлов
raschet_rgr_removed.pdf

Если нужен другой вариант работы или отдельная задача из любой работы, пишите в комментарии