Задача 7: Определение основных параметров молниеотвода. вариант 93
Описание
Контрольное задание 7
Определение основных параметров молниеотвода.
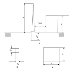
Для зашиты объекта (шириной a, длиной b и высотой h) от прямых ударов молнии установлен одиночный стержневой молниеотвод (рис. 7.1). Удельное сопротивление грунта – ρз, Ом∙м; ток молнии – Iм, кА.

Рисунок 7.1 - Схема защищаемого объекта:
а– расположение защищаемого объекта и молниеотвода; б и в – геометрические размеры железобетонного фундамента и защищаемого объекта.
Требуется:
– начертить эскиз контура заземления молниеотвода, состоящий из вертикальных и горизонтальных электродов;
– определить:
а) импульсное сопротивление контура заземления молниеотвода Rи;
б) минимально допустимое расстояние от молниеотвода до защищаемого объекта lmin ;
в) радиус зоны защиты rh на высоте h;
г) высоту молниеотвода H.
Исходные данные приведены в табл. 7.1 и 7.2.
Таблица 7.1 - Исходные данные к выполнению задачи № 7
Величина |
| Номер варианта по предпоследней цифре шифра |
|
| |||||||
и единица | 0 | 1 | 2 | 3 | 4 | 5 | 6 | 7 | 8 | 9 |
|
измерения |
| ||||||||||
|
|
|
|
|
|
|
|
|
|
| |
a, м | 3 | 3,2 | 3,4 | 3,6 | 3,8 | 4,0 | 4,2 | 4,4 | 4,6 | 4,8 |
|
b, м | 3,2 | 3,4 | 3,6 | 3,8 | 4,0 | 4,2 | 4,4 | 4,6 | 4,8 | 5,0 |
|
h, м | 12,0 | 11,5 | 11,0 | 10,5 | 10,0 | 9,5 | 9,0 | 8.5 | 8,0 | 7,5 |
|
аф, м | 0,4 | 0,5 | 0,6 | 0,7 | 0,8 | 0,9 | 1,0 | 1,1 | 1,2 | 1,3 |
|
hф, м | 2,8 | 2,9 | 3,0 | 3,1 | 3,2 | 3,3 | 3,4 | 3,5 | 3,6 | 3,7 |
|
Таблица 7.3-Исходные данные к выполнению контрольной задачи
Величина |
|
| Номер варианта по последней цифре шифра |
|
| |||||||
и единица | 0 | 1 |
| 2 | 3 | 4 | 5 | 6 | 7 | 8 | 9 |
|
измерения |
|
| ||||||||||
|
|
|
|
|
|
|
|
|
|
|
| |
Iě , кА | 5 | 10 |
| 15 | 20 | 25 | 30 | 35 | 40 | 45 | 50 |
|
ρз, Ом·м | 100 | 150 |
| 200 | 250 | 300 | 350 | 400 | 450 | 500 | 550 |
|

























