Задача 8: Определение эффективности работы вентильного разрядника при защите устройств электрической тяги. вариант 93
Описание
Контрольное задание 8
Определение эффективности работы вентильного разрядника при защите устройств электрической тяги.
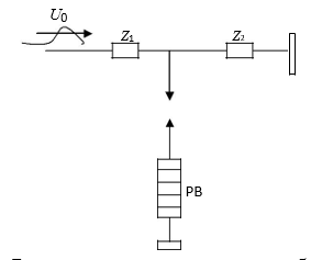
Волна перенапряжения u0 приходит с линии с волновым сопротивлением на высоковольтное оборудование с волновым сопротивлением z2 и минимальным разрядным напряжением Uм (рис. 8.1). Форма приходящей волны определяется уравнением (8.1):

Рисунок 8.1 - Расчетная схема защищаемого объекта
Требуется:
– построить график волны
– построить график изменения напряжения на разряднике и защищаемом им оборудовании и дать заключение об эффективности применения разрядника с данной вольт– амперной характеристикой.
Исходные данные указаны в табл. 8.2, 8.3.
Таблица 8.3 - Исходные данные к выполнению задачи
Величина |
| Номер варианта по предпоследней цифре шифра |
|
| |||||||
и единица | 0 | 1 | 2 | 3 | 4 | 5 | 6 | 7 | 8 | 9 |
|
измерения |
| ||||||||||
|
|
|
|
|
|
|
|
|
|
| |
U, кВ | 550 | 500 | 450 | 400 | 350 | 300 | 350 | 400 | 450 | 500 |
|
Uм, кВ | 200 | 190 | 180 | 170 | 160 | 150 | 140 | 190 | 110 | 100 |
|
Таблица 8.3 - Исходные данные к выполнению задачи
Величина |
| Номер варианта по последней цифре шифра |
|
| |||||||
и едини- |
|
|
|
|
|
|
|
|
|
|
|
ца изме- | 0 | 1 | 2 | 3 | 4 | 5 | 6 | 7 |
| 8 | 9 |
рения |
|
|
|
|
|
|
|
|
|
|
|
Z1, Ом | 100 | 150 | 200 | 250 | 300 | 350 | 400 | 450 |
| 500 | 550 |
Z2, Ом | 500 | 450 | 400 | 350 | 300 | 250 | 350 | 400 |
| 450 | 500 |
T1, мкс | 53,0 | 51,7 | 50,3 | 48,8 | 54,5 | 24,4 | 38,7 | 67,4 |
| 70,8 | 68,1 |
T2, мкс | 0,528 | 0,728 | 0,944 | 1,17 | 0,338 | 0,586 | 0,546 | 0,515 |
| 0,16 | 0,333 |