Главная » Учебные материалы » Электротехника (ЭлТех) » Решения задач » Несколько классов/семестров » Вариант 2 » Три группы сопротивлений соединены звездой с нулевым проводом и включены в трехфазную цепь переменного тока с линейным напряжением UЛ. В фазах А, В и С активные сопротивления соответственно равны RA и RC, реактивные – ХА, ХВ и ХС. Углы сдвига фаз в к
Для студентов по предмету Электротехника (ЭлТех)Три группы сопротивлений соединены звездой с нулевым проводом и включены в трехфазную цепь переменного тока с линейным напряжением UЛ. В фазах А, В и Три группы сопротивлений соединены звездой с нулевым проводом и включены в трехфазную цепь переменного тока с линейным напряжением UЛ. В фазах А, В и
5,0056
2021-11-25СтудИзба

Три группы сопротивлений соединены звездой с нулевым проводом и включены в трехфазную цепь переменного тока с линейным напряжением UЛ. В фазах А, В и С активные сопротивления соответственно равны RA и RC, реактивные – ХА, ХВ и ХС. Углы сдвига фаз в к

Описание

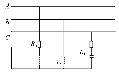
Три группы сопротивлений соединены звездой с нулевым проводом и включены в трехфазную цепь переменного тока с линейным напряжением UЛ. В фазах А, В и С активные сопротивления соответственно равны RA и RC, реактивные – ХА, ХВ и ХС. Углы сдвига фаз в каждой фазе равны φА, φВи φС. Линейные токи ( они же фазные) в нормальном режиме равны IА, IB и IC; фазы нагрузки потребляют активные мощности РА и РС, реактивные QА, QB и QC.

По данным таблицы 7.1 определить величины, отмеченные прочерком, и построить в масштабе векторную диаграмму цепи в нормальном режиме. Далее начертить векторную диаграмму цепи в аварийном режиме при отключении фазы А. Из векторных диаграмм определить графически токи в нулевом проводе в обоих режимах.

Вариант

2

UЛ В

-

RA Ом

-

RC Ом

-

XA Ом

-

XB Ом

44

XC Ом

12

IA А

22

IB А

11

IC А

-

PA Вт

-

PC Вт

-

QA ВАр

3872

QB ВАр

-

QC ВАр

1452

Характеристики решённой задачи

Вариант
Программы
Просмотров
93
Качество
Идеальное компьютерное
Размер
105,94 Kb

Список файлов

Картинка-подпись

Комментарии

Нет комментариев
Стань первым, кто что-нибудь напишет!
Поделитесь ссылкой:
Цена: 79 руб.
Расширенная гарантия +3 недели гарантии, +10% цены
Рейтинг покупателей
5 из 5
Поделитесь ссылкой:
Сопутствующие материалы
Три сопротивления соединены в треугольник и включены в трехфазную цепь с линейным напряжением UЛ. В фазах нагрузки в нормальном режиме протекают токи IАВ, IВС и IСА, при этом фазные мощности составляют РАВ, РВС и QСА. В таблице 8.1 указаны некоторые
Разветвленная цепь переменного тока состоит из двух параллельных ветвей, содержащих активные сопротивления R1, R2 и реактивные ХС и XL. Полные сопротивления ветвей Z1 и Z2, к цепи приложено напряжение U. Токи в ветвях соответственно равны I1 и I2; то
Определить индуктивность катушки, равномерно намотанной на неферромагнитный кольцевой замкнутый сердечник с круговым поперечным сечением и значение ЭДС, индуктируемой в обмотке, если ток в ней при выключении прекращается за время t =1мсек. Вариант
Определить токи во всех ветвях разветвленной электрической цепи постоянного тока тремя различными способами. Проверить решение задачи по I закону Кирхгофа. Составить баланс мощностей. ВариантЕ1, ВЕ2, ВR1, ОмR2, ОмR3, ОмR4,
Определить эквивалентную емкость цепи, заряд и энергию электрического поля каждого конденсатора по схемам, изображенным на рисунках 1 и 2 (данные для своего варианта взять из таблицы 2.1): Таблица 2.1 – Данные для задачи 2 Вари-антНомер рисунка
Для цепи постоянного тока со смешанным соединением резисторов определить: 1) эквивалентное сопротивление цепи Rэкв; 2) токи, напряжения и мощности на всех участках схемы; 3) расход электроэнергии в цепи за время t = 8 ч. Проверить решение задачи,

Подобрали для Вас услуги

-30%
-30%
Вы можете использовать решённую задачу для примера, а также можете ссылаться на неё в своей работе. Авторство принадлежит автору работы, поэтому запрещено копировать текст из этой работы для любой публикации, в том числе в свою задачу в учебном заведении, без правильно оформленной ссылки. Читайте как правильно публиковать ссылки в своей работе.
Свежие статьи
Популярно сейчас
Почему делать на заказ в разы дороже, чем купить готовую учебную работу на СтудИзбе? Наши учебные работы продаются каждый год, тогда как большинство заказов выполняются с нуля. Найдите подходящий учебный материал на СтудИзбе!
Ответы на популярные вопросы
Да! Наши авторы собирают и выкладывают те работы, которые сдаются в Вашем учебном заведении ежегодно и уже проверены преподавателями.
Да! У нас любой человек может выложить любую учебную работу и зарабатывать на её продажах! Но каждый учебный материал публикуется только после тщательной проверки администрацией.
Вернём деньги! А если быть более точными, то автору даётся немного времени на исправление, а если не исправит или выйдет время, то вернём деньги в полном объёме!
Да! На равне с готовыми студенческими работами у нас продаются услуги. Цены на услуги видны сразу, то есть Вам нужно только указать параметры и сразу можно оплачивать.
Отзывы студентов
Ставлю 10/10
Все нравится, очень удобный сайт, помогает в учебе. Кроме этого, можно заработать самому, выставляя готовые учебные материалы на продажу здесь. Рейтинги и отзывы на преподавателей очень помогают сориентироваться в начале нового семестра. Спасибо за такую функцию. Ставлю максимальную оценку.
Лучшая платформа для успешной сдачи сессии
Познакомился со СтудИзбой благодаря своему другу, очень нравится интерфейс, количество доступных файлов, цена, в общем, все прекрасно. Даже сам продаю какие-то свои работы.
Студизба ван лав ❤
Очень офигенный сайт для студентов. Много полезных учебных материалов. Пользуюсь студизбой с октября 2021 года. Серьёзных нареканий нет. Хотелось бы, что бы ввели подписочную модель и сделали материалы дешевле 300 рублей в рамках подписки бесплатными.
Отличный сайт
Лично меня всё устраивает - и покупка, и продажа; и цены, и возможность предпросмотра куска файла, и обилие бесплатных файлов (в подборках по авторам, читай, ВУЗам и факультетам). Есть определённые баги, но всё решаемо, да и администраторы реагируют в течение суток.
Маленький отзыв о большом помощнике!
Студизба спасает в те моменты, когда сроки горят, а работ накопилось достаточно. Довольно удобный сайт с простой навигацией и огромным количеством материалов.
Студ. Изба как крупнейший сборник работ для студентов
Тут дофига бывает всего полезного. Печально, что бывают предметы по которым даже одного бесплатного решения нет, но это скорее вопрос к студентам. В остальном всё здорово.
Спасательный островок
Если уже не успеваешь разобраться или застрял на каком-то задание поможет тебе быстро и недорого решить твою проблему.
Всё и так отлично
Всё очень удобно. Особенно круто, что есть система бонусов и можно выводить остатки денег. Очень много качественных бесплатных файлов.
Отзыв о системе "Студизба"
Отличная платформа для распространения работ, востребованных студентами. Хорошо налаженная и качественная работа сайта, огромная база заданий и аудитория.
Отличный помощник
Отличный сайт с кучей полезных файлов, позволяющий найти много методичек / учебников / отзывов о вузах и преподователях.
Отлично помогает студентам в любой момент для решения трудных и незамедлительных задач
Хотелось бы больше конкретной информации о преподавателях. А так в принципе хороший сайт, всегда им пользуюсь и ни разу не было желания прекратить. Хороший сайт для помощи студентам, удобный и приятный интерфейс. Из недостатков можно выделить только отсутствия небольшого количества файлов.
Спасибо за шикарный сайт
Великолепный сайт на котором студент за не большие деньги может найти помощь с дз, проектами курсовыми, лабораторными, а также узнать отзывы на преподавателей и бесплатно скачать пособия.
Популярные преподаватели
Добавляйте материалы
и зарабатывайте!
Продажи идут автоматически
6947
Авторов
на СтудИзбе
265
Средний доход
с одного платного файла
Обучение Подробнее
{user_main_secret_data}