Для студентов по предмету Электротехника (ЭлТех)Для цепи постоянного тока со смешанным соединением резисторов определить: 1) эквивалентное сопротивление цепи Rэкв; 2) токи, напряжения и мощности на Для цепи постоянного тока со смешанным соединением резисторов определить: 1) эквивалентное сопротивление цепи Rэкв; 2) токи, напряжения и мощности на
5,0054
2021-11-252024-10-27СтудИзба
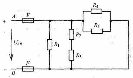
Для цепи постоянного тока со смешанным соединением резисторов определить: 1) эквивалентное сопротивление цепи Rэкв; 2) токи, напряжения и мощности на всех участках схемы; 3) расход электроэнергии в цепи за время t = 8 ч. Проверить решение задачи,
Описание
Для цепи постоянного тока со смешанным соединением резисторов определить:
- эквивалентное сопротивление цепи Rэкв;
- токи, напряжения и мощности на всех участках схемы;
- расход электроэнергии в цепи за время t = 8 ч.
Проверить решение задачи, составив баланс мощностей.
Данные для своего варианта взять из таблицы 1.1.
Указания: 1. Индексы токов, напряжений, мощностей соответствуют индексу резистора. Например, через резистор R1 проходит ток I1, падение напряжения на нем U1, потребляемая им мощность Р1 и т. д.
2. Рассмотрите решение типового примера 1 в вышеприведенных методических указаниях к выполнению контрольной работы.
Таблица 1.1 – Данные для задачи 1
Вариант | Номер рисунка | R1, Ом | R2, Ом | R3, Ом | R4, Ом | R5, Ом | Дополнительный параметр |
2 | 1 | 6 | 4 | 2 | 10 | 15 | Р = 18Вт |
Характеристики решённой задачи
Предмет
Вариант
Программы
Просмотров
46
Качество
Идеальное компьютерное
Размер
35,13 Kb
Список файлов
