Для студентов по предмету Электротехника (ЭлТех)Разветвленная цепь переменного тока состоит из двух параллельных ветвей, содержащих активные сопротивления R1, R2 и реактивные ХС и XL. Полные сопротиРазветвленная цепь переменного тока состоит из двух параллельных ветвей, содержащих активные сопротивления R1, R2 и реактивные ХС и XL. Полные сопроти
5,0055
2021-11-252025-10-14СтудИзба
Разветвленная цепь переменного тока состоит из двух параллельных ветвей, содержащих активные сопротивления R1, R2 и реактивные ХС и XL. Полные сопротивления ветвей Z1 и Z2, к цепи приложено напряжение U. Токи в ветвях соответственно равны I1 и I2; то
Описание
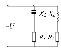
Разветвленная цепь переменного тока состоит из двух параллельных ветвей, содержащих активные сопротивления R1, R2 и реактивные ХС и XL.
Полные сопротивления ветвей Z1 и Z2, к цепи приложено напряжение U.
Токи в ветвях соответственно равны I1 и I2; ток в неразветвленной части цепи равен I. Ветви потребляют активные мощности P1, P2 и реактивные Q1 и Q2. Определить значения, отмеченные прочерками в таблице вариантов (6.1), и построить в масштабе векторную диаграмму цепи, предварительно вычислив углы сдвига фаз φ1, φ2 и φ.
Варианты | 2 |
R1 Ом | - |
R2 Ом | 16 |
XC Ом | 6 |
XL Ом | - |
Z1 Ом | 10 |
Z2 Ом | 20 |
U В | - |
I1 А | 10 |
I2 А | - |
P1 Вт | - |
Q1 ВАр | - |
P2 Вт | - |
Q2 ВАр | - |
Характеристики решённой задачи
Предмет
Вариант
Программы
Просмотров
38
Качество
Идеальное компьютерное
Размер
111,32 Kb
Список файлов
