Для студентов по предмету Электротехника (ЭлТех)Три потребителя электроэнергии, соединены «звездой» и включены в четырёхпроводную трёхфазную сеть с системой симметричных линейных напряжений Uл. ОпреТри потребителя электроэнергии, соединены «звездой» и включены в четырёхпроводную трёхфазную сеть с системой симметричных линейных напряжений Uл. Опре
5,0052
2021-11-252025-02-25СтудИзба
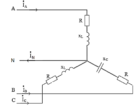
Три потребителя электроэнергии, соединены «звездой» и включены в четырёхпроводную трёхфазную сеть с системой симметричных линейных напряжений Uл. Определить токи Iф по фазам и в нейтральном проводе IN, а также мощность каждой фазы и всей трёх
Описание
Три потребителя электроэнергии, соединены «звездой» и включены в четырёхпроводную трёхфазную сеть с системой симметричных линейных напряжений Uл. Определить токи Iф по фазам и в нейтральном проводе IN, а также мощность каждой фазы и всей трёхфазной цепи. Составить электрическую схему. Построить векторную диаграмму напряжений и токов.
вар | Линейное напряжение, В | Сопротивления фаз | ||
| | | ||
2 | 380 | 20 | 25 | 35;φ |
Схема цепи:
Характеристики решённой задачи
Предмет
Вариант
Программы
Просмотров
16
Качество
Идеальное компьютерное
Размер
469,91 Kb
Список файлов
