Для студентов по предмету Электротехника (ЭлТех)Проверить выполнение условий работоспособности, рассчитать амплитуду выходного импульса и временные интервалы насыщенного транзисторного инвертора – НПроверить выполнение условий работоспособности, рассчитать амплитуду выходного импульса и временные интервалы насыщенного транзисторного инвертора – Н
5,0054
2021-11-242025-06-18СтудИзба
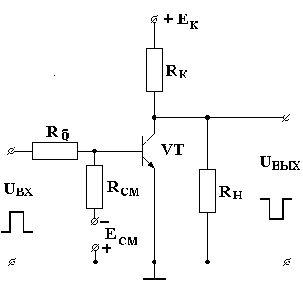
Проверить выполнение условий работоспособности, рассчитать амплитуду выходного импульса и временные интервалы насыщенного транзисторного инвертора – НТИ (Рис.13). Исходные данные выбираются из таблицы № 4. Таблица № 4 № варЕк,ВЕсм,ВU1вх,
Описание
Проверить выполнение условий работоспособности, рассчитать амплитуду выходного импульса и временные интервалы насыщенного транзисторного инвертора – НТИ (Рис.13). Исходные данные выбираются из таблицы № 4.
Таблица № 4
№ вар | Ек,В | Есм,В | U1вх, В | U0вх,В | Rк | Rб | Rсм | Rн | b | fa, МГц |
3 | 15 | 3 | 2,5 | 0,5 | к51 | к51 | 1к1 | 1к | 70 | 6 |
Рис.13 Принципиальная схема транзисторного инвертора
Характеристики решённой задачи
Предмет
Вариант
Программы
Просмотров
34
Качество
Идеальное компьютерное
Размер
45,28 Kb
Список файлов
