Для студентов по предмету Механика жидкости и газа (МЖГ или Гидравлика)Какой диаметр D должен иметь полый шар полностью погруженный в воду, чтобы его клапан К мог плотно закрыть выход из трубы В, диаметр которой d=50 мм, Какой диаметр D должен иметь полый шар полностью погруженный в воду, чтобы его клапан К мог плотно закрыть выход из трубы В, диаметр которой d=50 мм,
5,0057
2019-01-312019-01-31СтудИзба
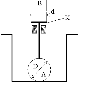
Какой диаметр D должен иметь полый шар полностью погруженный в воду, чтобы его клапан К мог плотно закрыть выход из трубы В, диаметр которой d=50 мм, и давление на выходе из нее равно p? Указание: вес шара , клапана и тяг не учитывать.
Описание
Решение с пояснениями в word13. Вариант 3.
Какой диаметр D должен иметь полый шар полностью погруженный в воду, чтобы его клапан К мог плотно закрыть выход из трубы В, диаметр которой d=50 мм, и давление на выходе из нее равно p? Указание: вес шара , клапана и тяг не учитывать.
|
№ | 1 | 2 | 3 | 4 | 5 | 6 | 7 | 8 | 9 | 10 |
p, Н/м2 | 130 | 150 | 170 | 190 | 200 | 180 | 140 | 120 | 210 | 160 |
d, мм | 50 | 49 | 51 | 48 | 52 | 47 | 46 | 45 | 44 | 53 |
Характеристики решённой задачи
Вариант
Программы
Просмотров
314
Размер
36,28 Kb
Список файлов
