ДЗ 2: Расчет электрической цепи переменного тока вариант 17
Описание
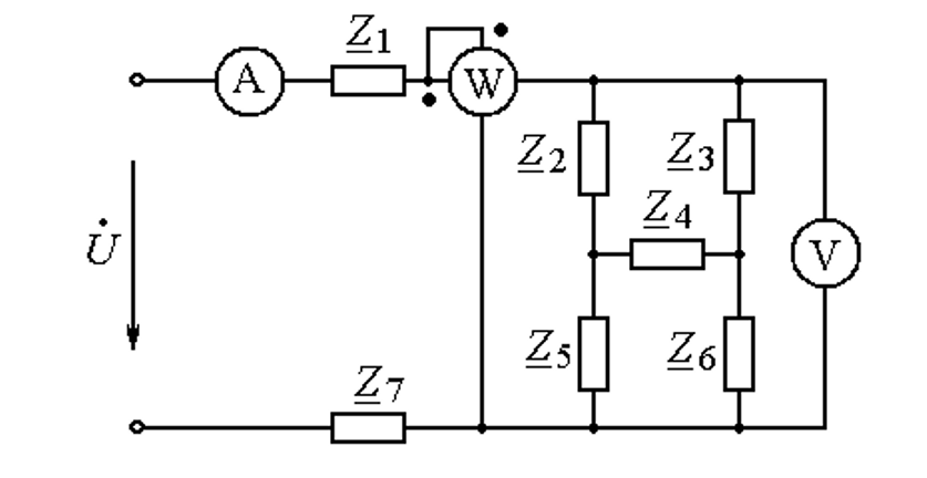
Условие:
1) Начертить расчетную электрическую схему и записать исходные данные.
2) Рассчитать сопротивления реактивных элементов и записать в комплексной форме сопротивления ветвей схемы.
3) Определить токи во всех ветвях схемы.
4) Рассчитать и построить векторные диаграммы токов и напряжений.
5) Определить показания измерительных приборов.
6) Рассчитать баланс мощностей и коэффициент мощности схемы.
Исходные данные:
U=100 В; f=50 Гц; R_1=R_3=R_5=R_7=10 Ом; R_2=R_4=R_6=15 Ом;
L_1=L_3=L_5=L_7=50 мГн; L_2=L_4=L_6=75мГн;
C_1=C_3=C_5=C_7=100 мкФ; C_2=C_4=C_6=200 мкФ;
![]()
1) Начертить расчетную электрическую схему и записать исходные данные.
2) Рассчитать сопротивления реактивных элементов и записать в комплексной форме сопротивления ветвей схемы.
3) Определить токи во всех ветвях схемы.
4) Рассчитать и построить векторные диаграммы токов и напряжений.
5) Определить показания измерительных приборов.
6) Рассчитать баланс мощностей и коэффициент мощности схемы.
Исходные данные: U=100 В; f=50 Гц; R_1=R_3=R_5=R_7=10 Ом; R_2=R_4=R_6=15 Ом;
L_1=L_3=L_5=L_7=50 мГн; L_2=L_4=L_6=75мГн;
C_1=C_3=C_5=C_7=100 мкФ; C_2=C_4=C_6=200 мкФ;

Характеристики домашнего задания
Предмет
Учебное заведение
Семестр
Номер задания
Вариант
Просмотров
67
Размер
68,56 Kb
Список файлов
ЭлТех ДЗ2.docx
Отзывы
Отзыв
Работа выполнена с умом и зачтена преподавателем на максимальный балл, спасибо
МГТУ им. Н.Э.Баумана
















