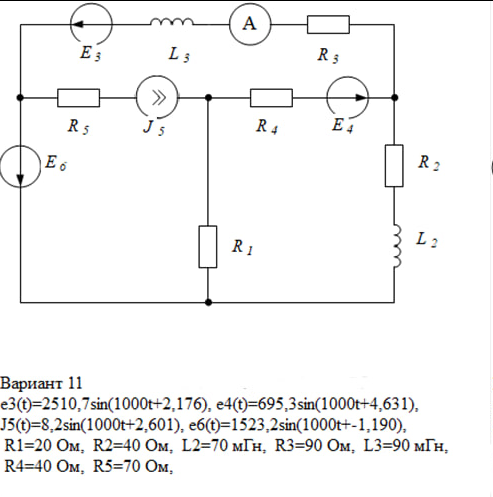
ДЗ: Электротехнике вариант 11
Описание

Характеристики домашнего задания
Предмет
Учебное заведение
Семестр
Вариант
Просмотров
15
Размер
460,92 Kb
Список файлов
ДЗ ЭлТех стр1.jpg
ДЗ ЭлТех стр2.jpg
дз1 элтех.pdf
Комментарии
Нет комментариев
Стань первым, кто что-нибудь напишет!
МГТУ им. Н.Э.Баумана
















