Для студентов по предмету Электротехника (ЭлТех)Трёхфазная нагрузка соединена в треугольник и подключена к трёхфазной сети через трёхпроводную линиюТрёхфазная нагрузка соединена в треугольник и подключена к трёхфазной сети через трёхпроводную линию
5,0053162
2025-03-282025-04-01СтудИзба
ДЗ: Трёхфазная нагрузка соединена в треугольник и подключена к трёхфазной сети через трёхпроводную линию
Описание
Задача №1 Расчёт трёхфазной цепи.
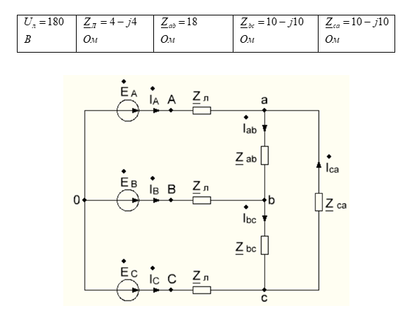
Трёхфазная нагрузка соединена в треугольник и подключена к трёхфазной сети через трёхпроводную линию.
Задано линейное напряжение сети U, сопротивления фаз нагрузки – Zab Zbc Zca и сопротивления проводов линии Zл.
Необходимо рассчитать напряжения на фазах нагрузки, токи в фазах нагрузки и линии и построить векторную топографическую диаграмму напряжений, совмещённую с векторной диаграммой токов.
Рассчитать активную мощность, поступающую из сети, потери мощности в линии и активную мощность приёмников.
Таблица вариантов задания
Задача 2
Расчет переходных процессов в цепях с источниками
постоянного тока
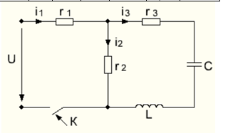
Задана схема электрической цепи, в которой действует источник постоянного напряжения. Необходимо рассчитать переходной процесс, возникающий в цепи после коммутации (замыкание ключа К).
1. Рассчитать переходной процесс в цепи, выбранной по рисунку 1, после коммутации классическим методом для тока источника и напряжений на ёмкости и индуктивности в соответствии с вариантом таблицы 1.
2. Построить графики изменения во времени рассчитанных токов и напряжений.
3. Операторным методом рассчитать ток источника при включении цепи на постоянное напряжение. Построить график изменения тока во времени.
![]()
Трёхфазная нагрузка соединена в треугольник и подключена к трёхфазной сети через трёхпроводную линию.
Задано линейное напряжение сети U, сопротивления фаз нагрузки – Zab Zbc Zca и сопротивления проводов линии Zл.
Необходимо рассчитать напряжения на фазах нагрузки, токи в фазах нагрузки и линии и построить векторную топографическую диаграмму напряжений, совмещённую с векторной диаграммой токов.
Рассчитать активную мощность, поступающую из сети, потери мощности в линии и активную мощность приёмников.
Таблица вариантов задания

Расчет переходных процессов в цепях с источниками
постоянного тока
Задана схема электрической цепи, в которой действует источник постоянного напряжения. Необходимо рассчитать переходной процесс, возникающий в цепи после коммутации (замыкание ключа К).
1. Рассчитать переходной процесс в цепи, выбранной по рисунку 1, после коммутации классическим методом для тока источника и напряжений на ёмкости и индуктивности в соответствии с вариантом таблицы 1.
2. Построить графики изменения во времени рассчитанных токов и напряжений.
3. Операторным методом рассчитать ток источника при включении цепи на постоянное напряжение. Построить график изменения тока во времени.
№ вар. | U, В | r1, Ом | r2, Ом | r3, Ом | L, Гн | C, мкФ |
5 | 20 | 5 | 15 | 20 | 0,40 | 20 |

Характеристики домашнего задания
Предмет
Просмотров
7
Качество
Идеальное компьютерное
Размер
817 Kb
Список файлов
85.doc

Если нужен другой вариант работы или отдельная задача из любой работы, пишите в комментарии