Для студентов УрГУПС по предмету Электротехника (ЭлТех)Расчёт магнитной цепи постоянного токаРасчёт магнитной цепи постоянного тока
5,0053185
2024-12-282024-12-28СтудИзба
ДЗ 4: Расчёт магнитной цепи постоянного тока вариант 58
Описание
Задача 4.1
Расчёт магнитной цепи постоянного тока
Заданы размеры магнитной цепи, кривая намагничивания представлена в табл. 4.1. Величины токов и числа витков обмоток и геометрические размеры заданы в табл. 4.2. Определить магнитные потоки в стержнях и значение магнитной индукции в воздушном зазоре. При расчете потоками рассеяния пренебречь.
Задача 4.2
Задача 4.2
Расчет нелинейной цепи переменного тока,
содержащей катушку с ферромагнитным сердечником
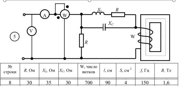
Задана электрическая цепь (рис. 4.3), содержащая катушку с ферромагнитным сердечником. Индукция изменяется по синусоидальному закону. Кривая намагничивания задана в табл. 4.3. Исходные данные приведены в табл. 4.3.
Для всех вариантов задается аппроксимирующее выражение кривой намагничивания
Требуется:
1. Определить коэффициенты а и b аппроксимирующего выражения, выбрав на кривой намагничивания точки
H1 = 250 A / м; B1 = 1 Тл; H2 = 1000 A / м; B2= 1,4 Тл.
2. Построить в одних осях исходную кривую намагничивания и аппроксимирующую кривую.
3. Пренебрегая потоком рассеяния и потерями, определить закон изменения тока и напряжения источника. Построить гармоники тока и их графическую сумму в пределах одного периода основной гармоники.
4. Определить показания приборов, считая, что они имеют электродинамическую систему.
Задача 4.3
Расчёт электрического поля в проводящей среде
Полушаровой электрод, радиус которого равен r = а, показан на рис. 4.4. Электрод предназначен для заземления металлической опоры линии электропередачи постоянного тока. Ток короткого замыкания линии стекает через
заземлитель в землю и растекается по толще земли. Земля исполняет роль обратного провода для линии электропередачи. Удельная проводимость земли g = 10 – 2 См/ м.
Определить:
1. Плотность тока на расстоянии а1 от центра полушарового электрода.
2. Напряженность поля Е на поверхности полусферы радиуса а1.
3. Сопротивление заземления полушарового электрода.
4. Значение потенциалов в точках на поверхности земли на расстояниях а 1, а2, a3, а4 от центра полушарового электрода.
5. Шаговое напряжение на тех же расстояниях а 1, а2, a3, а4 от центра полу шарового электрода, принимая среднюю длину шага l = 0,8 м.
6. Опасную зону, т. е. радиус круга на поверхности с центром, совпадающим с центром электрода. Радиус опасной зоны определить из условия техники безопасности, принимая во внимание, что шаговое напряжение на границе этой зоны не превышает 150 В.
Исходные данные варианта 58:
а1 = 0,35 м; а2 = 1,3 м; а3 = 3 м; а4 = 8 м; а = 0,3 м; I = 750 А
Расчёт магнитной цепи постоянного тока

Задача 4.2
Задача 4.2
Расчет нелинейной цепи переменного тока,
содержащей катушку с ферромагнитным сердечником
Задана электрическая цепь (рис. 4.3), содержащая катушку с ферромагнитным сердечником. Индукция изменяется по синусоидальному закону. Кривая намагничивания задана в табл. 4.3. Исходные данные приведены в табл. 4.3.
Для всех вариантов задается аппроксимирующее выражение кривой намагничивания
Требуется:
1. Определить коэффициенты а и b аппроксимирующего выражения, выбрав на кривой намагничивания точки
H1 = 250 A / м; B1 = 1 Тл; H2 = 1000 A / м; B2= 1,4 Тл.
2. Построить в одних осях исходную кривую намагничивания и аппроксимирующую кривую.
3. Пренебрегая потоком рассеяния и потерями, определить закон изменения тока и напряжения источника. Построить гармоники тока и их графическую сумму в пределах одного периода основной гармоники.
4. Определить показания приборов, считая, что они имеют электродинамическую систему.

Расчёт электрического поля в проводящей среде
Полушаровой электрод, радиус которого равен r = а, показан на рис. 4.4. Электрод предназначен для заземления металлической опоры линии электропередачи постоянного тока. Ток короткого замыкания линии стекает через
заземлитель в землю и растекается по толще земли. Земля исполняет роль обратного провода для линии электропередачи. Удельная проводимость земли g = 10 – 2 См/ м.
Определить:
1. Плотность тока на расстоянии а1 от центра полушарового электрода.
2. Напряженность поля Е на поверхности полусферы радиуса а1.
3. Сопротивление заземления полушарового электрода.
4. Значение потенциалов в точках на поверхности земли на расстояниях а 1, а2, a3, а4 от центра полушарового электрода.
5. Шаговое напряжение на тех же расстояниях а 1, а2, a3, а4 от центра полу шарового электрода, принимая среднюю длину шага l = 0,8 м.
6. Опасную зону, т. е. радиус круга на поверхности с центром, совпадающим с центром электрода. Радиус опасной зоны определить из условия техники безопасности, принимая во внимание, что шаговое напряжение на границе этой зоны не превышает 150 В.
Исходные данные варианта 58:
а1 = 0,35 м; а2 = 1,3 м; а3 = 3 м; а4 = 8 м; а = 0,3 м; I = 750 А
Файлы условия, демо
Характеристики домашнего задания
Предмет
Учебное заведение
Номер задания
Вариант
Просмотров
1
Качество
Идеальное компьютерное
Размер
1,08 Mb
Список файлов
Primer_zadachi_4_kontrolnoy_raboty.docx

Если нужен другой вариант работы или отдельная задача из любой работы, пишите в комментарии