Для студентов МГТУ им. Н.Э.Баумана по предмету Электротехника (ЭлТех)Расчет электрической цепи переменного токаРасчет электрической цепи переменного тока
5,0053
2024-11-232024-11-23СтудИзба
ДЗ ДЗ2: Расчет электрической цепи переменного тока вариант 18
Описание
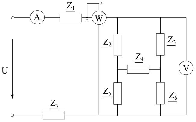
- Расчетная электрическая схема и исходные данные
Рис. 1
Характеристики домашнего задания
Предмет
Учебное заведение
Семестр
Номер задания
Вариант
Просмотров
37
Размер
471,58 Kb
Список файлов
Расчет электрической цепи переменного тока.docx
Чертеж.cdw
Комментарии
Нет комментариев
Стань первым, кто что-нибудь напишет!
МГТУ им. Н.Э.Баумана



















