Для студентов МГТУ им. Н.Э.Баумана по предмету Электротехника (ЭлТех)ДЗ№1 “Расчет электрической цепи постоянного тока” Вариант 18ДЗ№1 “Расчет электрической цепи постоянного тока” Вариант 18
5,0056
2021-03-072021-03-07СтудИзба
ДЗ 1: ДЗ№1 “Расчет электрической цепи постоянного тока” Вариант 18 вариант 18
Описание
Домашнее задание №1
Расчет электрической цепи постоянного тока
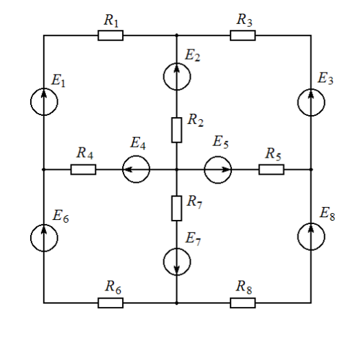
- Начертить в соответствии с вариантом задания расчетную электрическую схему, записать исходные данные и определить в схеме количество ветвей и узлов.
- Составить уравнения для расчета токов в ветвях схемы непосредственным применением законов Кирхгофа.
- Определить токи в ветвях схемы методом узловых потенциалов.
- Определить токи в ветвях схемы методом контурных токов.
- Определить методом эквивалентного генератора ток в цепи с резистором, указанным в варианте задания.
- Подставить рассчитанные значения токов в уравнения, составленные по законам Кирхгофа, и проверить их выполнение.
- Рассчитать баланс мощности.
![]()
Характеристики домашнего задания
Предмет
Учебное заведение
Семестр
Номер задания
Вариант
Просмотров
198
Размер
226,18 Kb
Список файлов
Домашнее задание №1.docx

МГТУ им. Н.Э.Баумана



















