Для студентов МГТУ им. Н.Э.Баумана по предмету Электротехника (ЭлТех)Операторный метод расчета электрической цепиОператорный метод расчета электрической цепи
5,0052
2023-02-282023-02-28СтудИзба
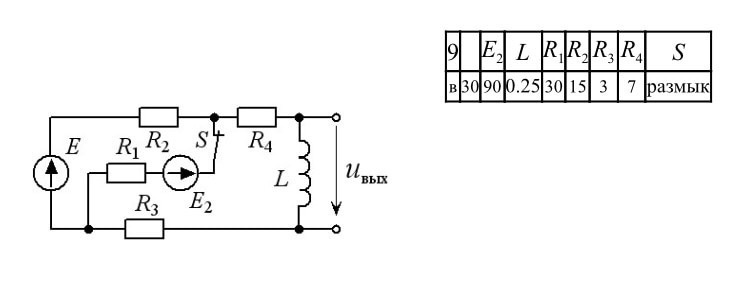
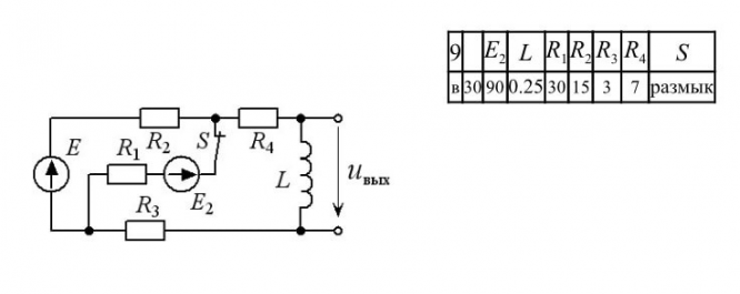
ДЗ 1: Операторный метод расчета электрической цепи вариант 9
Описание
Зачтено на максимальный балл
1) Рассчитать операторным методом ток или напряжение, обозначенные на схеме стрелкой2) Построить график реакции
3) Определить постоянную времени цепи
4) Сделать проверку классическим методом
Единицы измерения e(В), i (A), R[Ом], L[Гн], C(Ф)

Характеристики домашнего задания
Предмет
Учебное заведение
Номер задания
Вариант
Программы
Просмотров
130
Размер
105,96 Kb
Список файлов
eltekh_вар 1_9V.docx