Для студентов МГТУ им. Н.Э.Баумана по предмету Электротехника (ЭлТех)Методы анализа линейных разветвленных электрических цепей при синусоидальных воздействияхМетоды анализа линейных разветвленных электрических цепей при синусоидальных воздействиях
4,365112
2023-01-022025-10-14СтудИзба
ДЗ 1: Методы анализа линейных разветвленных электрических цепей при синусоидальных воздействиях вариант 1
Описание
Характеристики домашнего задания
Предмет
Учебное заведение
Семестр
Номер задания
Вариант
Просмотров
249
Размер
547,06 Kb
Список файлов
1 variant.pdf
Комментарии
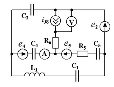
zhe_bbat14: Можно узнать значения элементов цепи (данные по условию)?
условие отредактировано
Можно узнать значения элементов цепи (данные по условию)?

МГТУ им. Н.Э.Баумана



















