Для студентов МГТУ им. Н.Э.Баумана по предмету Электротехника (ЭлТех)ДЗ1_Расчет маломощного источника вторичного электропитания_Вариант 7ДЗ1_Расчет маломощного источника вторичного электропитания_Вариант 7
4,88593
2022-08-232022-08-23СтудИзба
ДЗ 1: ДЗ1_Расчет маломощного источника вторичного электропитания_Вариант 7 вариант 7
Описание
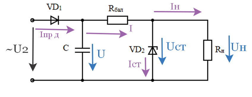
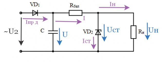
Обеспечить в нагрузке постоянное напряжение Uн = 18 В и ток Iн = 12 мА с коэффициентом пульсаций после сглаживающего фильтра р < 0,01; при изменении питающего напряжения D = DU = 2 В (колебания питающего напряжения). Расчет провести на примере МИВЭ с однополупериодным выпрямителем (рис.1).
Характеристики домашнего задания
Предмет
Учебное заведение
Семестр
Номер задания
Вариант
Просмотров
33
Размер
701,19 Kb
Список файлов
DZ2_eltekh_pravka (1).docx
Комментарии
Нет комментариев
Стань первым, кто что-нибудь напишет!
МГТУ им. Н.Э.Баумана


















