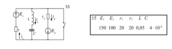
Для студентов МГТУ им. Н.Э.Баумана по предмету Электротехника (ЭлТех)ДЗ №2 Вариант 15ДЗ №2 Вариант 15
5,00516
2022-01-252022-01-25СтудИзба
ДЗ 2: ДЗ №2 Вариант 15 вариант 15
Описание
Зачтёно на максимум.
Полное условие задания в прикреплённом файле.

Файлы условия, демо
Характеристики домашнего задания
Предмет
Учебное заведение
Семестр
Номер задания
Вариант
Просмотров
255
Качество
Фото рукописных листов
Размер
2,59 Mb
Список файлов
slava_bebrow_elteh.pdf