Для студентов МГТУ им. Н.Э.Баумана по предмету Электротехника (ЭлТех)Вариант 38 - ДЗ №1 - Расчету контурных токовВариант 38 - ДЗ №1 - Расчету контурных токов
2021-10-252021-10-25СтудИзба
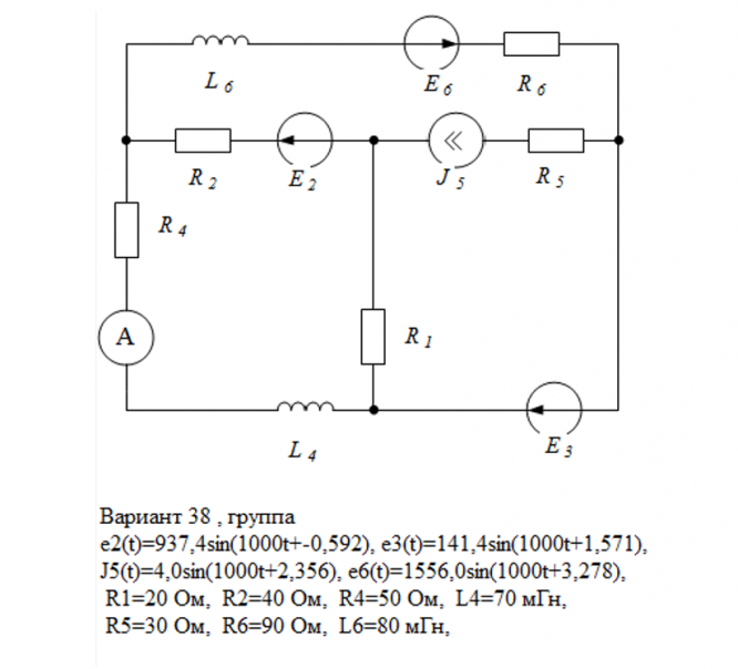
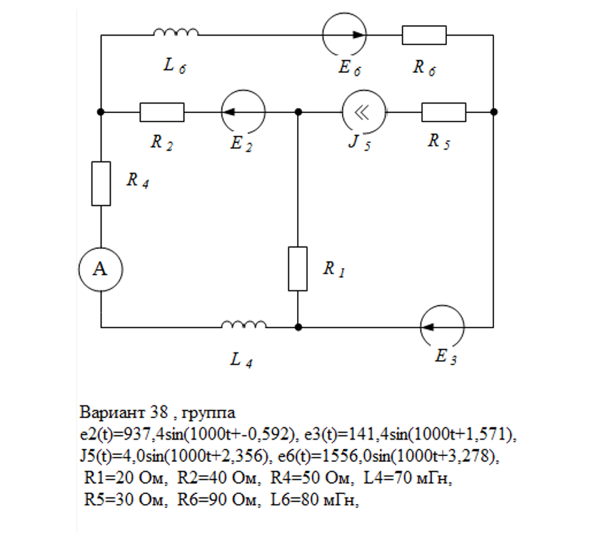
ДЗ 1: Вариант 38 - ДЗ №1 - Расчету контурных токов вариант 38
Описание
Характеристики домашнего задания
Предмет
Учебное заведение
Семестр
Номер задания
Вариант
Просмотров
573
Качество
Идеальное компьютерное
Размер
394,25 Kb
Список файлов
Вопросы
Вопрос
а что за программа для проверки?
МГТУ им. Н.Э.Баумана
vilen2002



















