Для студентов МГТУ им. Н.Э.Баумана по предмету Электротехника (ЭлТех)Дз1 Вариант 7 зачтеноДз1 Вариант 7 зачтено
2021-07-032021-07-03СтудИзба
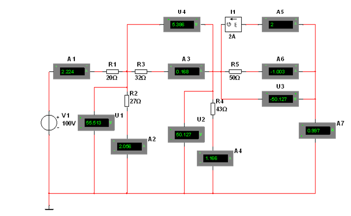
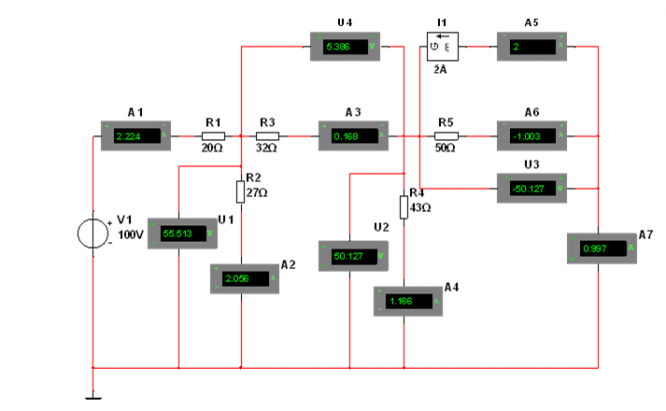
ДЗ 1: Дз1 Вариант 7 зачтено вариант 7
Описание
Характеристики домашнего задания
Предмет
Учебное заведение
Семестр
Номер задания
Вариант
Просмотров
512
Размер
61,19 Kb
Список файлов
Комментарии
Нет комментариев
Стань первым, кто что-нибудь напишет!
МГТУ им. Н.Э.Баумана


















