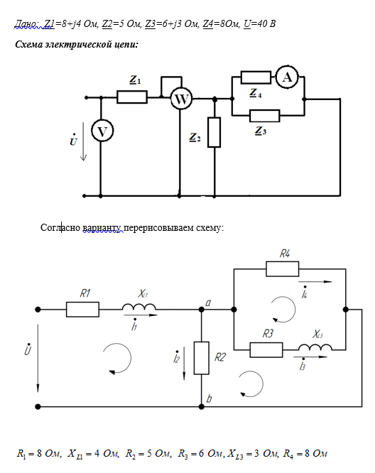
ДЗ 2: ДЗ №2 для СМ (Синусоидальный ток). Вариант 13 вариант 13
Описание
ДЗ №2 для СМ (Синусоидальный ток). Оформлено в Word
![]()

Файлы условия, демо
Характеристики домашнего задания
Предмет
Учебное заведение
Семестр
Номер задания
Вариант
Просмотров
111
Качество
Идеальное компьютерное
Размер
289,37 Kb
Список файлов
ДЗ №2 для СМ. Оформлено в word.docx
Комментарии
Нет комментариев
Стань первым, кто что-нибудь напишет!
МГТУ им. Н.Э.Баумана
















