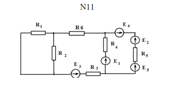
ДЗ 1: ДЗ №1 Буянкин Вариант 11 (все три метода) Маткад вариант 11
Описание
Характеристики домашнего задания
Предмет
Учебное заведение
Семестр
Номер задания
Вариант
Просмотров
67
Размер
282,68 Kb
Список файлов
Домашнее задание №1.xmcd
Комментарии
Нет комментариев
Стань первым, кто что-нибудь напишет!

МГТУ им. Н.Э.Баумана

















