Для студентов МГТУ им. Н.Э.Баумана по предмету Электротехника (ЭлТех)ДЗ-1 Спецглавы ЭлектротехникиДЗ-1 Спецглавы Электротехники
5,0059
2021-03-262021-03-26СтудИзба
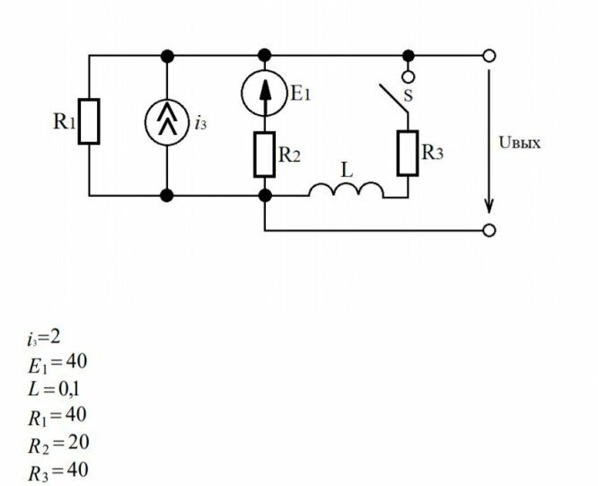
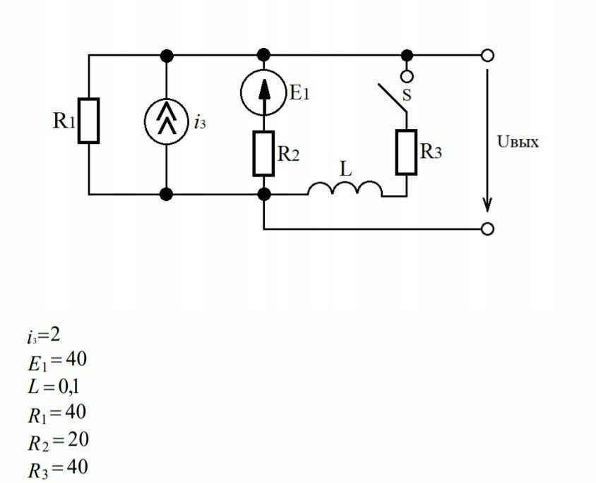
ДЗ 1: ДЗ-1 Спецглавы Электротехники вариант 14
Описание
Характеристики домашнего задания
Предмет
Учебное заведение
Семестр
Номер задания
Вариант
Просмотров
164
Размер
442,65 Kb
МГТУ им. Н.Э.Баумана



















