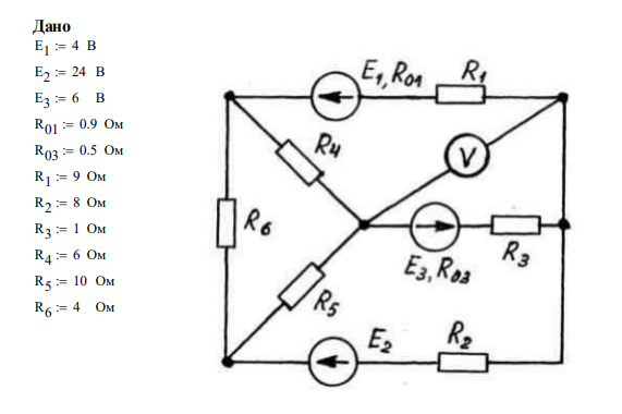
Для студентов МГТУ им. Н.Э.Баумана по предмету Электротехника (ЭлТех)СоболевВ.А ДЗ1 вариант 11 В МАТКАДЕСоболевВ.А ДЗ1 вариант 11 В МАТКАДЕ
5,0057
2021-03-022021-03-02СтудИзба
ДЗ 1: СоболевВ.А ДЗ1 вариант 11 В МАТКАДЕ вариант 11
Описание
Препода
![]()

Характеристики домашнего задания
Предмет
Учебное заведение
Семестр
Номер задания
Вариант
Просмотров
152
Размер
2,47 Mb
Список файлов
ELTECH.xmcd
элтехдз1вар11.pdf
Ставьте лайки хочу вип
МГТУ им. Н.Э.Баумана
HENTAI_LOVER



















