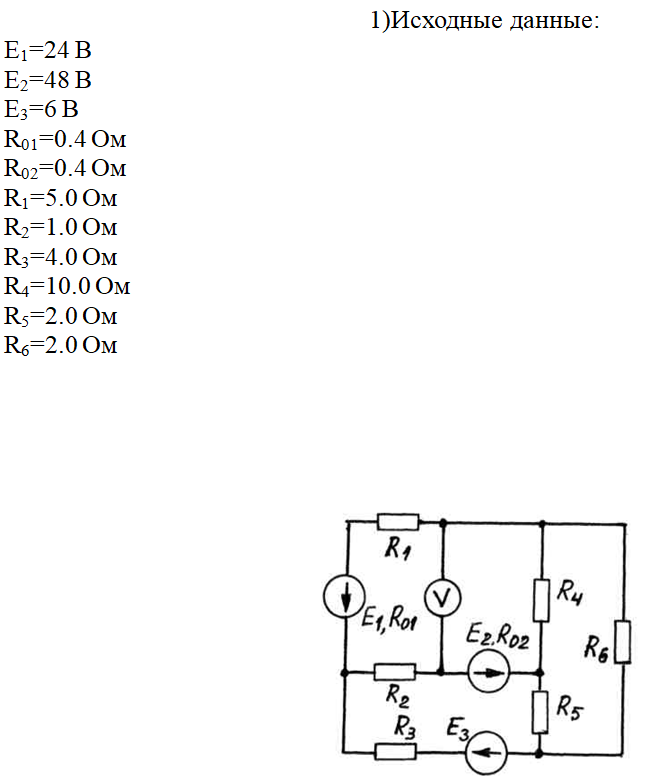
Для студентов МГТУ им. Н.Э.Баумана по предмету Электротехника (ЭлТех)Вариант №57 - ДЗ №1Вариант №57 - ДЗ №1
5,00551
2021-02-072021-02-07СтудИзба
ДЗ 1: Вариант №57 - ДЗ №1 вариант 57
Описание

Характеристики домашнего задания
Предмет
Учебное заведение
Семестр
Номер задания
Вариант
Просмотров
204
Размер
3,21 Mb
Список файлов
Баланс мощностей.xmcd
Вольтметр.xmcd
Генератор.xmcd
Метод контурных токов.xmcd
Нахождение 456 после межузлового метода.xmcd
Преобразование треугольника в звезду.xmcd
Уравнения Кирхгофа.xmcd
Элтех 1 дз Осинников.rtf
потенциалы.xmcd
Комментарии
годно
МГТУ им. Н.Э.Баумана
OBLAKA



















