Для студентов МГТУ им. Н.Э.Баумана по предмету Электротехника (ЭлТех)ДЗ №1 (Расчет линейных цепей постоянного тока), вариант 21ДЗ №1 (Расчет линейных цепей постоянного тока), вариант 21
4,78556
2020-11-272020-11-27СтудИзба
ДЗ 1: ДЗ №1 (Расчет линейных цепей постоянного тока), вариант 21 вариант 21
Описание
Содержит 1 файл формата .docx, включающий в себя полностью решённое задание и код из MatLab'а, файл Matlab'a, использованные схемы в формате .png.
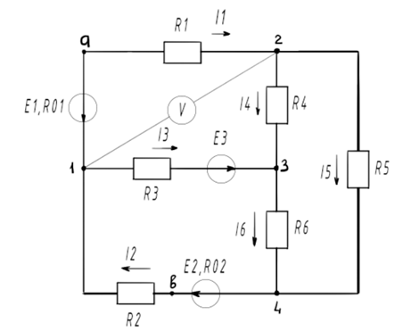
Пригодится вариантам с подобной схемой.![]()
Пригодится вариантам с подобной схемой.

Характеристики домашнего задания
Предмет
Учебное заведение
Семестр
Номер задания
Вариант
Просмотров
57
Качество
Идеальное компьютерное
Размер
762,98 Kb
Список файлов
Screenshot_2 (2).png
Screenshot_2 (3).png
Screenshot_2.png
Screenshot_16.png
Screenshot_18.png
Screenshot_19.png
Screenshot_20.png
Screenshot_21.png
Screenshot_22.png
Screenshot_24.png
Screenshot_25.png
Screenshot_26.png
Screenshot_27.png
Screenshot_28.png
dz1.mlx
Задание 1.docx
Комментарии
Нет комментариев
Стань первым, кто что-нибудь напишет!
МГТУ им. Н.Э.Баумана


















