Для студентов МГТУ им. Н.Э.Баумана по предмету Электротехника (ЭлТех)ДЗ №2 (Расчет линейных цепей синусоидального тока), вариант 21ДЗ №2 (Расчет линейных цепей синусоидального тока), вариант 21
5,0053
2020-11-272020-11-27СтудИзба
ДЗ 2: ДЗ №2 (Расчет линейных цепей синусоидального тока), вариант 21 вариант 21
Описание
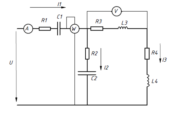
Содержит 1 файл формата .docx, включающий в себя полностью решённое задание и код для MatLab'а и Маткада, использованные чертежи в формате .dwg. Пригодится вариантам с подобной схемой.
Характеристики домашнего задания
Предмет
Учебное заведение
Семестр
Номер задания
Вариант
Просмотров
87
Качество
Идеальное компьютерное
Размер
1,1 Mb
Список файлов
Screenshot_1.png
Screenshot_2.png
Screenshot_3.png
Screenshot_4.png
Screenshot_5.png
Screenshot_7.png
Screenshot_8.png
Untitled.mlx
ДЗ2.dwg
ДЗ2.pdf
Задание 2.docx
элтехдз2.mcdx
Комментарии
Нет комментариев
Стань первым, кто что-нибудь напишет!
МГТУ им. Н.Э.Баумана

















