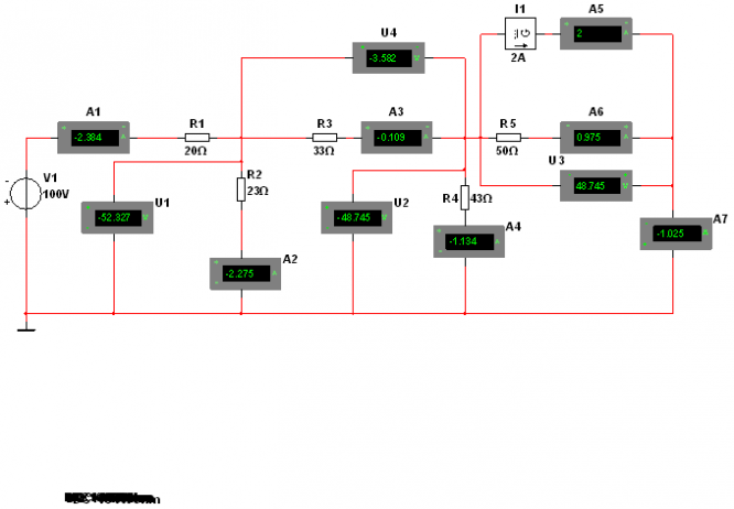
Для студентов МГТУ им. Н.Э.Баумана по предмету Электротехника (ЭлТех)Домашнее задание 1. Васильев. вариант 3Домашнее задание 1. Васильев. вариант 3
5,0054
2020-10-082020-10-08СтудИзба
ДЗ 1: Домашнее задание 1. Васильев. вариант 3 вариант 3
Описание
Характеристики домашнего задания
Предмет
Учебное заведение
Семестр
Номер задания
Вариант
Просмотров
126
Размер
652,32 Kb
Список файлов
Комментарии
Нет комментариев
Стань первым, кто что-нибудь напишет!
МГТУ им. Н.Э.Баумана


















