Для студентов МГТУ им. Н.Э.Баумана по предмету Электротехника (ЭлТех)Домашнее задание №2 Расчёт линейных цепей синусоидального токаДомашнее задание №2 Расчёт линейных цепей синусоидального тока
5,00512
2021-03-302021-03-30СтудИзба
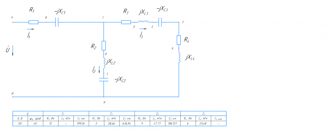
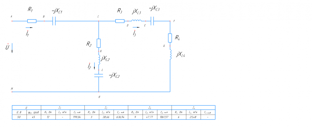
ДЗ 2: Домашнее задание №2 Расчёт линейных цепей синусоидального тока вариант 3
Описание

Характеристики домашнего задания
Предмет
Учебное заведение
Семестр
Номер задания
Вариант
Просмотров
266
Качество
Идеальное компьютерное
Размер
1,02 Mb
Список файлов
Схема1.ms14
Схема1.ms14 (Security copy)
дз №2.cdw
дз №2.cdw.bak
дз№2.docx
дз№2.mcdx