Для студентов МГТУ им. Н.Э.Баумана по предмету Электротехника (ЭлТех)Вариант 1. Домашнее задание 1Вариант 1. Домашнее задание 1
4,20511
2020-06-042020-06-04СтудИзба
ДЗ 1: Вариант 1. Домашнее задание 1 вариант 1
Описание
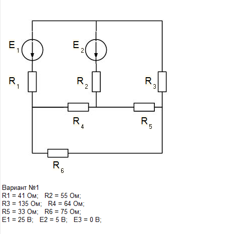
Домашнее задание 1. Цепи ![]()

Характеристики домашнего задания
Предмет
Учебное заведение
Семестр
Номер задания
Вариант
Просмотров
155
Размер
789,14 Kb
Список файлов
дз 1 цепи.docx
дз 1 цепи.pdf
Комментарии
Нет комментариев
Стань первым, кто что-нибудь напишет!
МГТУ им. Н.Э.Баумана
vk_338023911

















