Для студентов ВлГУ им. Столетовых по предмету Электротехника (ЭлТех)Переходные процессы в ЭЭСПереходные процессы в ЭЭС
5,0053309
2024-12-232024-12-23СтудИзба
Курсовая работа: Переходные процессы в ЭЭС
Описание
Задание:
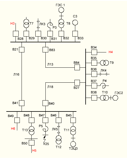
1. На основании исходных данных и указаний в задании составить расчетную схему замещения;
2. Привести параметры схемы замещения к базисным условиям;
3. Вычислить действующее значение периодической составляющей суммарного тока КЗ в заданной точке по методу спрямленных характеристик для момента времени и рассчитать мощность КЗ для того же момента времени;
4. Вычислить аналитическим методом. При несимметричном КЗ, действующее значение полного тока КЗ для момента времени t = 0;
![]()
1. На основании исходных данных и указаний в задании составить расчетную схему замещения;
2. Привести параметры схемы замещения к базисным условиям;
3. Вычислить действующее значение периодической составляющей суммарного тока КЗ в заданной точке по методу спрямленных характеристик для момента времени и рассчитать мощность КЗ для того же момента времени;
4. Вычислить аналитическим методом. При несимметричном КЗ, действующее значение полного тока КЗ для момента времени t = 0;





Характеристики курсовой работы
Предмет
Учебное заведение
Просмотров
2
Качество
Идеальное компьютерное
Размер
402,36 Kb
Список файлов
21_var-1.docx

Если нужен другой вариант работы или отдельная задача из любой работы, пишите в комментарии