Для студентов РГАУ — МСХА им. К. А. Тимирязева по предмету Электротехника (ЭлТех)Расчет цепей постоянного, синусоидального и трехфазного токовРасчет цепей постоянного, синусоидального и трехфазного токов
5,0053180
2024-12-202024-12-20СтудИзба
Курсовая работа: Расчет цепей постоянного, синусоидального и трехфазного токов вариант 25
Описание
Часть №1 - Расчет линейной электрической цепи постоянного тока
1. По заданной обобщенной схеме (рис.1.1) изобразить схему цепи, соответствующую вашему варианту (см. табл. 1.1), исключив источники ЭДС и источники тока, отсутствующие в таблице 1.1. После этого в цепи должны остаться два источника ЭДС и два источника тока.
2. Записать в таблицу 1.2 заданные в таблице 1.1 параметры вашей цепи.
3. Для заданной схемы составить уравнения по законам Кирхгофа.
4. Рассчитать токи во всех ветвях цепи методом контурных токов и методом узловых потенциалов. Результаты расчета записать в таблицу 1.3.
5. Проверить выполнение 1-го закона Кирхгофа для четырёх узлов цепи и 2-го закона Кирхгофа для внешнего контура цепи.
6. Проверить выполнение баланса мощности в цепи.
7. Рассчитать и построить потенциальную диаграмму для внешнего контура цепи. Значения потенциалов узлов цепи занести в таблицу 1.3.
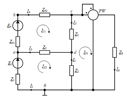
Часть №2 – Расчет линейной электрической цепи синусоидального тока
1. По заданной обобщенной схеме составить и изобразить схему цепи, соответствующую вашему варианту, исключив источники ЭДС, отсутствующие в таблице. Записать в таблицу 1 заданные параметры цепи.
Комплексные сопротивления на схеме изобразить в виде соответствующих элементов , , , значения которых определить и записать в таблицу 1.
2. Составить уравнения по законам Кирхгофа в дифференциальной и комплексной формах.
3. Составить уравнения в комплексной форме по методу контурных токов и по методу узловых потенциалов.
4. Рассчитать комплексные токи в цепи выбранным вами методом и записать мгновенные значения токов с частотой 50 Гц. Определить показания ваттметра. Результаты расчета занести в таблицу 2.
5. Проверить выполнение 2-го закона Кирхгофа в комплексной форме для внешнего контура цепи.
6. Рассчитать топографическую диаграмму внешнего контура цепи. Построить эту топографическую диаграмму, совмещенную с векторной диаграммой токов.
7. Проверить выполнение баланса активной, реактивной и комплексной мощностей цепи.
8. Результаты расчета записать в таблицу 2.
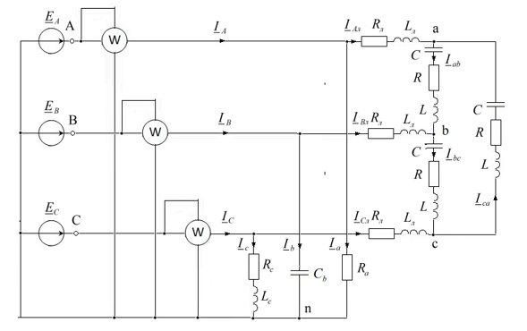
Часть №3 – Расчет разветвленной трехфазной цепи
Содержание
Введение
1.2 Расчет линейной электрической цепи по законам Киргоффа…………
1.3 Расчет электрической цепи по контурным токам………………………
1.4 Расчет электрической цепи по узловым потенциалам………………….
Заключение по расчету цепи постоянного тока………………………….
2 Расчет линейной электрической цепи синусоидального тока……………...10
2.1 Задание………………………………………………………………………
2.2 Расчет цепи синусоидального тока по законам Киргоффа…………
2.3 Построение топографической векторной диаграммы
Заключение по расчету цепи синусоидального тока ……………
3 Расчет разветвленной трехфазной цепи……………………………………...22
3.1
3.2
Заключение по расчету разветвленной трехфазной цепи
1. По заданной обобщенной схеме (рис.1.1) изобразить схему цепи, соответствующую вашему варианту (см. табл. 1.1), исключив источники ЭДС и источники тока, отсутствующие в таблице 1.1. После этого в цепи должны остаться два источника ЭДС и два источника тока.
2. Записать в таблицу 1.2 заданные в таблице 1.1 параметры вашей цепи.
3. Для заданной схемы составить уравнения по законам Кирхгофа.
4. Рассчитать токи во всех ветвях цепи методом контурных токов и методом узловых потенциалов. Результаты расчета записать в таблицу 1.3.
5. Проверить выполнение 1-го закона Кирхгофа для четырёх узлов цепи и 2-го закона Кирхгофа для внешнего контура цепи.
6. Проверить выполнение баланса мощности в цепи.
7. Рассчитать и построить потенциальную диаграмму для внешнего контура цепи. Значения потенциалов узлов цепи занести в таблицу 1.3.

Часть №2 – Расчет линейной электрической цепи синусоидального тока
1. По заданной обобщенной схеме составить и изобразить схему цепи, соответствующую вашему варианту, исключив источники ЭДС, отсутствующие в таблице. Записать в таблицу 1 заданные параметры цепи.
Комплексные сопротивления на схеме изобразить в виде соответствующих элементов , , , значения которых определить и записать в таблицу 1.
2. Составить уравнения по законам Кирхгофа в дифференциальной и комплексной формах.
3. Составить уравнения в комплексной форме по методу контурных токов и по методу узловых потенциалов.
4. Рассчитать комплексные токи в цепи выбранным вами методом и записать мгновенные значения токов с частотой 50 Гц. Определить показания ваттметра. Результаты расчета занести в таблицу 2.
5. Проверить выполнение 2-го закона Кирхгофа в комплексной форме для внешнего контура цепи.
6. Рассчитать топографическую диаграмму внешнего контура цепи. Построить эту топографическую диаграмму, совмещенную с векторной диаграммой токов.
7. Проверить выполнение баланса активной, реактивной и комплексной мощностей цепи.
8. Результаты расчета записать в таблицу 2.



Содержание
Введение
- Расчет линейной электрической цепи постоянного тока……………….2
1.2 Расчет линейной электрической цепи по законам Киргоффа…………
1.3 Расчет электрической цепи по контурным токам………………………
1.4 Расчет электрической цепи по узловым потенциалам………………….
Заключение по расчету цепи постоянного тока………………………….
2 Расчет линейной электрической цепи синусоидального тока……………...10
2.1 Задание………………………………………………………………………
2.2 Расчет цепи синусоидального тока по законам Киргоффа…………
2.3 Построение топографической векторной диаграммы
Заключение по расчету цепи синусоидального тока ……………
3 Расчет разветвленной трехфазной цепи……………………………………...22
3.1
3.2
Заключение по расчету разветвленной трехфазной цепи
Характеристики курсовой работы
Предмет
Учебное заведение
Вариант
Просмотров
5
Качество
Идеальное компьютерное
Размер
847,74 Kb
Список файлов
primer_kursovaya_rabota.docx

Если нужен другой вариант работы или отдельная задача из любой работы, пишите в комментарии