Для студентов РТУ МИРЭА по предмету Электротехника (ЭлТех)Расчёт электрических цепей в установившемся и переходном режимахРасчёт электрических цепей в установившемся и переходном режимах
5,0051
2022-10-092022-10-09СтудИзба
Курсовая работа: Расчёт электрических цепей в установившемся и переходном режимах
Описание
Задание 1. Электрические цепи постоянного тока
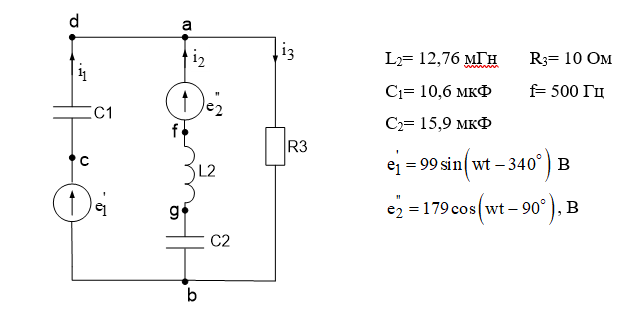
Задание 2. Электрические цепи синусоидального тока
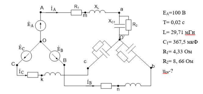
Задание 3. Расчет параметров четырехполюсников
Задание 4. Переходные процессы в линейных электрических цепях
Задание 5. Расчет трехфазных цепей
![]()


Задание 3. Расчет параметров четырехполюсников

Задание 4. Переходные процессы в линейных электрических цепях

Задание 5. Расчет трехфазных цепей

Характеристики курсовой работы
Предмет
Учебное заведение
Просмотров
25
Размер
1,64 Mb
Список файлов
kursach21.docx

Если нужен другой вариант работы или отдельная задача из любой работы, пишите в комментарии