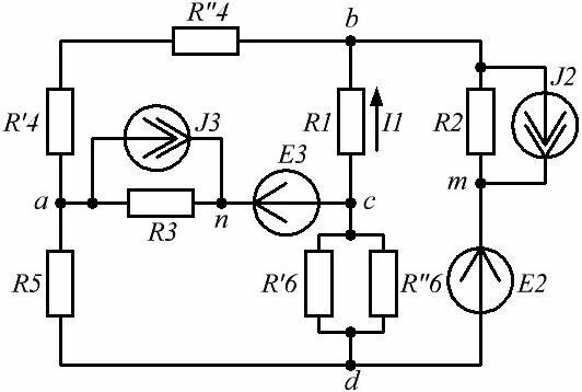
Для электрической схемы, изображенной на рисунке 1, выполнить следующее: 1. Упростить схему, заменив последовательно и параллельно соединенные резисторы четвертой и шестой ветвей эквивалентными. Дальнейший расчет вести для упрощенной схемы. 2. Сос
Описание
Для электрической схемы, изображенной на рисунке 1, выполнить следующее:
1. Упростить схему, заменив последовательно и параллельно соединенные резисторы четвертой и шестой ветвей эквивалентными. Дальнейший рас-чет вести для упрощенной схемы.
2. Составить на основании законов Кирхгофа систему уравнений для расчета токов во всех ветвях схемы.
3. Определить токи во всех ветвях схемы методом контурных токов.
4. Определить токи во всех ветвях схемы методом узловых потенциалов.
5. Результаты расчета токов, проведенного двумя методами, свести в таблицу и сравнить между собой.
6. Составить баланс мощностей в исходной схеме (схеме с источником тока), вычислив суммарную мощность источников и суммарную мощность нагрузок (сопротивлений).
7. Определить ток I1 в заданной по условию схеме с источником тока, используя метод эквивалентного генератора.
8. Начертить потенциальную диаграмму для любого замкнутого контура, включающего обе ЭДС.
Исходные данные:
Е2=18,5 В, Е3=7,5 В
J2=0,15 А, J3=0 А
R1=27,5 Ом, R2=40 Ом, R3=50 Ом
R4′=12 Ом, R4″=8 Ом, R5=35 Ом
R6′=150 Ом, R6″=100 Ом
Рисунок 1 - Исходная схема
Характеристики решённой задачи
Список файлов
