Для студентов ИДДО НИУ «МЭИ» по предмету Электротехника (ЭлТех)Курс Электротехника - Метод расчета цепей постоянного тока. СамопроверкаКурс Электротехника - Метод расчета цепей постоянного тока. Самопроверка
4,99521283
2025-05-052025-05-05СтудИзба
💼 База ответов к тесту САМОПРОВЕРКА: Метод расчета цепей постоянного тока (Курс Электротехника) 📊
Ответы к заданиям САМОПРОВЕРКА: Курс Электротехника - Метод расчета цепей постоянного тока. Самопроверка
Описание
Курс Электротехника - Метод расчета цепей постоянного тока. Самопроверка
🔴 Другие тесты | Отдельные ответы по предмету | Помощь со сдачей ⬅️
➡️Любой предмет | Любой тест | Любая практика | ВКР (Диплом)⬅️
🗝️ ▶Помощь с сессией/долгами под ключ ◀ 🗝️
🔴 Другие тесты | Отдельные ответы по предмету | Помощь со сдачей ⬅️
➡️Любой предмет | Любой тест | Любая практика | ВКР (Диплом)⬅️
🗝️ ▶Помощь с сессией/долгами под ключ ◀ 🗝️
Список вопросов
Выбрать верные утверждения, характеризующие применение метода контурных токов.
Как изменится количество уравнений в системе, если в цепь добавить еще один источник ЭДС известной величины?

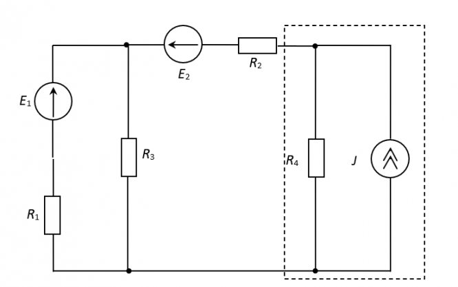
Определить количество независимых уравнений, которые необходимо составить для предложенной цепи по методу контурных токов? Параметры всех сопротивлений и источников известны
![]()

Что называют собственной проводимостью узла?
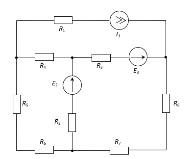
В предложенной схеме узел d выбран базовым. Сколько независимых уравнений необходимо составить по методу узловых напряжений?
![]()

Выбрать верные утверждения, характеризующие метод эквивалентного генератора.
Какими элементами представлена параллельная схема замещения эквивалентного источника?
Величина ЭДС источника в исследуемой цепи увеличилась (новое значение 30 В). Повлияет ли это на величину параметров эквивалентного источника?
![]()

Изменится ли рассчитываемый ток в ветви с элементом R2, если производить переход к параллельной схеме замещения источника?
В электрической цепи есть зависимый источник напряжения, управляемый напряжением. Как нужно представить управляющее напряжение зависимого источника для применения метода контурных токов?
В электрической цепи есть зависимый источник тока, управляемый током. В какую часть узловых уравнений записывают ток зависимого источника?
Параметры каких элементов эквивалентной схемы замещения биполярного транзистора определяются по выходным ВАХ?
Какие элементы входят в эквивалентную схему замещения биполярного транзистора?
Параметры каких элементов эквивалентной схемы замещения биполярного транзистора определяются по входным ВАХ?
Два нелинейных элемента (НЭ) с известными ВАХ соединены последовательно. Какая из приведенных BAX (а или б) является характеристикой эквивалентного элемента последовательно соединенных НЭ?
![]()

Эквивалентная BAX параллельно соединенных нелинейных элементов получается:
Характеристики ответов (шпаргалок) к заданиям
Тип
Коллекция: Ответы (шпаргалки) к заданиям
Предмет
Учебное заведение
Номер задания
Теги
Просмотров
4
Качество
Идеальное компьютерное
Количество вопросов
Преподаватели

Гарантия сдачи без лишних хлопот! ✅🎓 Ответы на тесты по любым дисциплинам, базы вопросов, работы и услуги для Синергии, МЭИ и других вузов – всё уже готово! 🚀 🎯📚 Гарантия качества – или возврат денег! 💰✅